Ang carbon steel sealing clinching nuts ay isang uri ng fastener na ginagamit para sa pagkonekta ng mga manipis na plato o sheet metal. Ang mga ito ay gawa sa carbon steel, tempered at quenched upang madagdagan ang tigas, at ang ibabaw ay galvanized o kung hindi man ay ginawang kaagnasan-lumalaban.
Ang sealing clinching nut ay medyo diretso, maaari mong gamitin ang karaniwang mga tool na pneumatic o hydraulic clinching. Narito kung paano ito gumagana: Una, ilagay ang nut sa isang pre-punched hole, pagkatapos ay gumamit ng isang suntok at mamatay na set upang mag-apply ng presyon. Pinipilit ng mamatay ang sheet metal sa paligid ng kwelyo ng klinika ng nut, na bumubuo ng isang solidong mekanikal na lock sa isang mabilis na hakbang.
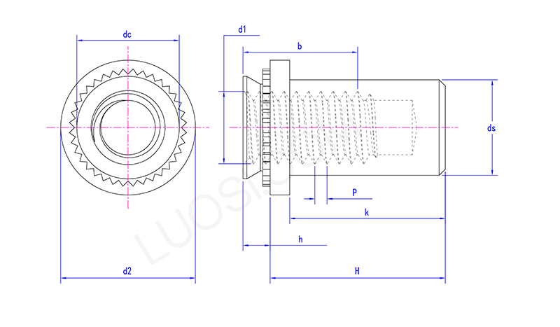
| Mon | M3-1 | M3-2 | M4-1 | M4-2 | M5-1 | M5-2 | M6-1 | M6-2 |
| P | 0.5 | 0.5 | 0.7 | 0.7 | 0.8 | 0.8 | 1 | 1 |
| DS Max | 3.84 | 3.84 | 5.2 | 5.2 | 6.35 | 6.35 | 8.75 | 8.75 |
| DC Max | 4.2 | 4.2 | 5.38 | 5.38 | 6.33 | 6.33 | 8.73 | 8.73 |
| B min | 5.3 | 5.3 | 7.1 | 7.1 | 7.1 | 7.1 | 7.8 | 7.8 |
| H Max | 0.91 | 1.38 | 0.97 | 1.38 | 0.97 | 1.38 | 1.38 | 1.38 |
| H Max | 9.85 | 9.85 | 11.45 | 11.45 | 11.45 | 11.45 | 14.55 | 14.55 |
| H min | 9.35 | 9.35 | 10.95 | 10.95 | 10.95 | 10.95 | 14.05 | 14.05 |
| K Max | 8.5 | 8.5 | 9.8 | 9.8 | 9.8 | 9.8 | 12.7 | 12.7 |
| D2 Max | 6.6 | 6.6 | 8.2 | 8.2 | 9 | 9 | 11.35 | 11.35 |
| D2 min | 6.1 | 6.1 | 7.7 | 7.7 | 8.5 | 8.5 | 10.85 | 10.85 |
| D1 | M3 | M3 | M4 | M4 | M5 | M5 | M6 | M6 |
Ang carbon steel sealing clinching nuts ay tinukoy ng mga pangunahing sukat: laki ng thread (tulad ng M4, M5, M6, o 1/4 "-20), diameter ng kwelyo ng klinika, kabuuang taas, pagbubuklod ng mga sukat ng washer, at ang saklaw ng kapal ng sheet na kanilang pinagtatrabahuhan (parehong min at max). Maaari mong makuha ang mga ito sa karaniwang metric o imperyal na mga thread.
Ang kanilang lakas ng klinika (kung gaano kahusay na pigilan nila ang pagtulak o baluktot) ay nasubok laban sa mga pamantayan sa industriya (isipin ang ISO, DIN, IFI). Ang pagpili ng tamang sukat ay isang malaking pakikitungo, tinitiyak na ang selyo ay humahawak at ang nut ay sapat na sapat para sa trabaho.
Upang mai -install ang carbon steel sealing clinching nut, kailangan mo ng isang dalubhasang tool sa clinching at die set na eksaktong tumutugma sa laki ng nut. Una, ilagay ang nut sa isang pre-punched hole sa sheet metal. Pagkatapos ay nalalapat ang tool na kinokontrol na presyon, na ginagawang lumubog ang piloto ng nut at knurl sa nakapalibot na metal. Ang proseso ng malamig na bumubuo na ito ay nakakulong sa hindi kinakalawang na asero na nut sa lugar para sa mabuti at sa parehong oras, pinaputok nito ang built-in na sealing washer laban sa panel. Iyon ay kung paano ito lumilikha ng leak-proof seal na ginagawang natatangi ang mga mani na ito.
