Bahay > Mga produkto > Bolt > Hexagon Head Flange Bolt > Hexagon Bolts na May Flange
        Hexagon Bolts na May Flange
        • Hexagon Bolts na May FlangeHexagon Bolts na May Flange
        • Hexagon Bolts na May FlangeHexagon Bolts na May Flange
        • Hexagon Bolts na May FlangeHexagon Bolts na May Flange

        Hexagon Bolts na May Flange

        Ang mga hexagon bolts na may flange na ginawa ng Xiaoguo® ay pinagkakatiwalaan ng mga customer sa buong mundo. Ang mahigpit na kontrol ay ipinatupad sa buong proseso ng produksyon. Kung gusto mong magtanong tungkol sa mga presyo, mangyaring makipag-ugnayan sa amin.
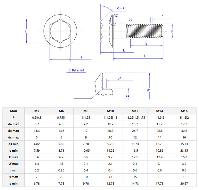
        Modelo:ISO 15071-1999

        Magpadala ng Inquiry

        Paglalarawan ng Produkto

        Sa ilalim nghexagon bolts na may flange, may flange na parang disc. Nagbibigay-daan ito sa mga bolts na gumanap ng isang espesyal na papel kapag nagkokonekta ng mga bagay. Ang ganitong uri ng bolt ay maaaring gumanap ng isang papel sa maraming mga lugar kung saan ang mga kinakailangan sa koneksyon ay medyo mataas.

        Hexagon Bolts With Flange

        Mga aplikasyon at parameter

        Hexagon bolts na may flangemaaaring maiwasan ang ulan at kalawang. Ang ibabaw na paggamot ng hot-dip galvanizing ay nagbibigay-daan sa mga ito na magamit para sa mga bakod, shed o terrace frame. Ang mga flange plate ay maaaring maiwasan ang mga bolts mula sa pag-stuck sa kahoy o manipis na metal at hindi nangangailangan ng polishing treatment. Ang mga ito ay angkop para sa mga gusali sa likod-bahay.

        Ginagamit sa maalikabok na mga pagawaan at sakahan. Ang serrated flange ay maaaring mahigpit na humawak sa kalawang na kasukasuan, at ang heksagonal na ulo ay hindi mahuhulog kahit na sa ilalim ng mataas na metalikang kuwintas. Magagamit ang mga ito sa mga traktora, mga silo ng butil at mga istante ng mabibigat na tungkulin.


        Ang thickened flange plate na istraktura ay isinama sahexagonal bolt na may flange, pinagsasama ang mga katangian ng pagmamaneho ng hexagonal head sa axial load dispersion function. Kunin ang mga pang-industriyang motor bilang isang halimbawa. Ang mga vibrations na nabuo sa panahon ng operasyon ay madaling magdulot ng pagkabalisa o pagkasira ng preload ng tradisyonal na mga fastener. Ang hexagon head flange bolt ay maaaring epektibong sugpuin ang paghahatid ng enerhiya ng panginginig ng boses sa interface ng koneksyon sa pamamagitan ng damping effect ng flange plate at ang pag-optimize ng pamamahagi ng presyon sa ibabaw ng contact.

        Hexagon Bolts With Flange

        Punto ng pagbebenta ng produkto

        Ang pinakamalaking selling point nghexagon bolts na may flangeay na ang koneksyon ay matatag at maaari itong epektibong ikalat ang presyon. Pinapataas nila ang lugar ng pakikipag-ugnay sa mga konektadong bagay. Kapag hinigpitan, ang puwersa ay maaaring pantay na maipamahagi, na ginagawang mas secure ang koneksyon at binabawasan ang pinsala sa materyal. Ito ay may mas malakas na kakayahan upang labanan ang vibration.


        Mga Hot Tags: Hexagon Bolts With Flange, China, Manufacturer, Supplier, Factory
        Kaugnay na Kategorya
        Magpadala ng Inquiry
        Mangyaring huwag mag-atubiling ibigay ang iyong pagtatanong sa form sa ibaba. Sasagot kami sa iyo sa loob ng 24 na oras.
        X
        Gumagamit kami ng cookies para mag-alok sa iyo ng mas magandang karanasan sa pagba-browse, pag-aralan ang trapiko sa site at i-personalize ang content. Sa paggamit ng site na ito, sumasang-ayon ka sa aming paggamit ng cookies. Patakaran sa Privacy
        Tanggihan Tanggapin