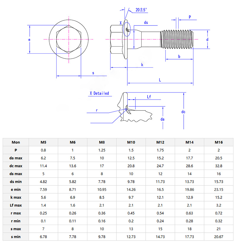
Kumpara sa karaniwang hexagonal flange bolt, angHexagon flange bolt ng fine rod flangeay may isang mas payat na tornilyo kaysa sa ordinaryong isa, habang ang ulo ay pa rin ang karaniwang heksagonal na hugis. Ang plato ng flange sa ibaba ng tornilyo ay nagdaragdag ng lugar ng contact na may konektadong bagay.

AngHexagon flange bolt ng fine rod flangeMaaaring magamit upang ayusin ang nanginginig na tripod ng camera. Ang mga manipis na rod ay maaaring tumpak na mai -screwed sa maliit na bracket, at ang mga flanges ay maaaring mailagay flat sa plastic o metal bracket. Kapag kumukuha ng selfie sa paglubog ng araw, ang larawan ay hindi iling.
Maaari itong ayusin ang circuit board at maiwasan ang mga sangkap mula sa pag -uwak. Madali silang maipasok sa mga lugar na may limitadong espasyo, at ang mga flanges ay maaaring maprotektahan ang tumpak na mga puntos ng weld.
Ang hexagon flange bolt ng fine rod flange ay maaaring magamit sa pagmamanupaktura at pagpapanatili ng mga walang sasakyan na sasakyang panghimpapawid. Ang mga drone ay maliit sa laki, ilaw sa timbang at may mahalagang panloob na espasyo. Sa panahon ng proseso ng pagmamanupaktura ng mga walang sasakyan na sasakyang panghimpapawid (UAV), maaari silang magamit upang ikonekta ang mga sangkap tulad ng fuselage frame at motor, at ang mga manipis na rod ay hindi nagdaragdag ng labis na timbang. Kapag ang mga drone ay nasa ilalim ng pagpapanatili, madali silang i -disassemble at muling i -install.

Ang nagbebenta ng punto nghExagon Flange Bolt ng Fine Rod Flangeay "pag-save ng espasyo at matatag". Ang manipis na mga rod ay maginhawa para sa kakayahang umangkop na pag -install sa isang limitadong puwang at hindi tumatagal ng maraming puwang. Ang mga plato ng flange ay maaaring matiyak ang katatagan sa panahon ng koneksyon, kaya kapag pinigilan mo ang mga ito, hindi nila madaling maluwag.
Mataas na metalikang kuwintas na hexalobular head flange bolts
Pinagsamang flange hexalobular head flange bolts
Naka -streamline na hexalobular head flange bolts
Premium engineered hexalobular head flange bolts
Ang grade grade hexalobular head flange bolts
Pagganap na -optimize na hexalobular head flange bolts