Bahay > Mga produkto > Pin > Bilog na pin > Mataas na makunat na clevis pin
      Mataas na makunat na clevis pin
      • Mataas na makunat na clevis pinMataas na makunat na clevis pin
      • Mataas na makunat na clevis pinMataas na makunat na clevis pin

      Mataas na makunat na clevis pin

      Ang mataas na tensile clevis pin na ito ay maaaring ma -disassembled at muling mai -install nang maraming beses, na ginagawang kapaki -pakinabang para magamit muli. Maaari mong kumpiyansa na mag -order ng mataas na makunat na mga pin ng Clevis mula sa Xiaoguo, at makakatanggap ka ng isang mahusay na karanasan na may garantisadong kalidad.

      Magpadala ng Inquiry

      Paglalarawan ng Produkto

      Maaari kaming magbigay ng isang sertipiko ng inspeksyon para sa mga mataas na makunat na mga pin ng Clevis kung kinakailangan. Inililista ng sertipiko ang mga pangunahing resulta ng pagsubok: kung ano ang ginawa ng materyal, ang mga mekanikal na katangian nito tulad ng lakas at katigasan, at kinukumpirma ang lahat ng mga kritikal na sukat ay tama. Sinasabi din nito kung aling mga pamantayan, tulad ng ISO 2341, nakakatugon ang produkto.

      Ang bawat sertipiko ay para sa isang tiyak na batch ng produksyon at may natatanging numero upang maaari itong masubaybayan. Ito ay isang talaan na nagpapakita ng mga pin na pumasa sa karaniwang mga tseke mula sa materyal hanggang sa natapos na produkto. Ang pagkuha ng isang sertipiko sa iyong mataas na makunat na mga pin ng Clevis ay isang pagpipilian, na kapaki -pakinabang para sa mga trabaho na nangangailangan ng pormal na papeles, maging para sa pang -araw -araw na paggamit ng pang -industriya o mas hinihingi na mga aplikasyon.

      High Tensile Clevis Pins

      Gumagamit ang produkto

      Ang ganitong uri ng pin ay karaniwang ginagamit upang ikonekta ang mga sangkap sa mga makina na nangangailangan ng pag -ikot o pivoting. Sa iba't ibang mga pang -industriya na kagamitan, madalas itong ginagamit upang ikonekta ang mga bracket, rod, o mga leversin na sasakyan at trak, ginagamit ito para sa mga sangkap ng suspensyon, mga link sa preno, mga aparato ng pagpipiloto, atbp.

      Ang mga kagamitan sa bukid tulad ng mga traktor na araro at mga nag -aani ay gumagamit din nito. Sa aerospace, maaaring magamit ito para sa ilang mga gumagalaw na bahagi sa mga sistema ng sasakyang panghimpapawid. Natagpuan din ito sa mga bangka, sa rigging at ilang mga bahagi ng engine, dahil nananatili itong naka -lock sa lugar.

      Karaniwan, ang mataas na makunat na mga pin ng clevis ay madaling gamitin kung saan kailangan mo ng isang solidong koneksyon na maaaring kailanganin mo ring maghiwalay mamaya, at maaaring hawakan ang pag -ilog at regular na paggamit.

      Q&A Session

      T: Ano ang karaniwang packaging para sa iyong mga high-lakas na split pin?

      Sagot : Karaniwan kaming gumagamit ng matibay na mga kahon ng karton upang mag-package ng mga high-lakas na split pin, at ang pamamaraan ng packaging ay karaniwang nahahati sa laki at dami (halimbawa, 100 piraso bawat kahon).

      Para sa mga bulk na order, mag-iimpake kami ng mga high-lakas na split pin sa pangunahing karton at ilagay ito sa isang palyete upang matiyak ang ligtas na transportasyon at kadalian ng paghawak.

      High Tensile Clevis Pins


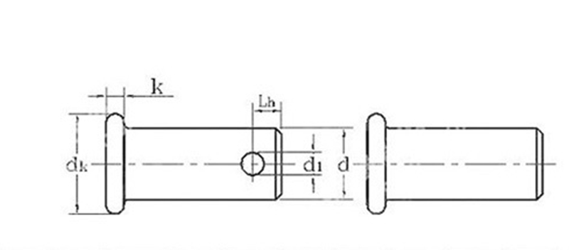
      unit : mm
      d Max 3 4 5 6 8 10 12 14 16 18 20
      min 2.94 3.925 4.925 5.925 7.91 9.91 11.89 13.89 15.89 17.89 19.87
      DK Max 5 6 8 10 12 14 16 18 20 22 25
      min 4.7 5.7 7.64 9.64 11.57 13.57 15.57 17.57 19.48 21.48 24.48
      k nominal 1.5 2 2.5 3 3.5 4
      Max 1.625 2.125 2.625 3.125 3.65 4.15
      min 1.375 1.875 2.375 2.875 3.35 3.85
      D1 min 1.6 2 3.2 4 5 5
      Max 1.74 2.14 3.38 4.18 5.18 5.18
      LH min 1.6 2.2 2.9 3.2 3.5 4.5 5.5 6 6 7 8




      Mga Hot Tags: Mataas na makunat na mga pin ng Clevis, Tsina, tagagawa, tagapagtustos, pabrika
      Kaugnay na Kategorya
      Magpadala ng Inquiry
      Mangyaring huwag mag-atubiling ibigay ang iyong pagtatanong sa form sa ibaba. Sasagot kami sa iyo sa loob ng 24 na oras.
      X
      We use cookies to offer you a better browsing experience, analyze site traffic and personalize content. By using this site, you agree to our use of cookies. Privacy Policy
      Reject Accept