Bahay > Mga produkto > Nut > Hand Screw Ang Nut > Round Knobs na may Collar Rolling Nut
      Round Knobs na may Collar Rolling Nut
      • Round Knobs na may Collar Rolling NutRound Knobs na may Collar Rolling Nut
      • Round Knobs na may Collar Rolling NutRound Knobs na may Collar Rolling Nut

      Round Knobs na may Collar Rolling Nut

      Para sa precision linear motion, piliin ang advanced na Round Knobs ng XIAO GUO na may Collar Rolling Nut. Idinisenyo para sa mga ball screw, tinitiyak nito ang makinis, mataas na kahusayan ng paggalaw, na ginagawa kaming isang pinagkakatiwalaang China Round Knobs na may Collar Rolling Nut na supplier para sa CNC at mga automation system.

      Magpadala ng Inquiry

      Paglalarawan ng Produkto

      Una, mag-drill ng butas sa sheet metal na tumutugma sa Round Knobs sa laki ng Collar Rolling Nut. Huwag gawing masyadong malaki ang butas—kung hindi, hindi ito makakandado nang maayos. Linisin ang anumang metal shavings na naiwan sa butas; maaaring makasagabal sila sa pag-install.

      Pagkatapos ay ilagay ang nut sa pre-drilled hole, siguraduhin na ito ay nakaupo nang patag laban sa sheet. Gumamit ng karaniwang tool sa pagpindot na may die na umaangkop sa tuktok ng nut. Ilapat ang tuluy-tuloy, kahit na presyon sa tool—makakaramdam ka ng bahagyang "pag-click" kapag naka-lock ito sa lugar. Hawakan ang presyon sa loob ng 1-2 segundo upang matiyak na ligtas ito.

      Iwasang gumamit ng mga suntok ng martilyo; ito ay maaaring yumuko ang nut o makapinsala sa sheet metal. Ito ay pinakamahusay na gumagana sa manipis hanggang katamtamang sheet na metal (0.5-2mm ang kapal). Kapag na-install na, maaari mong i-screw ang bolt nang maayos nang hindi umiikot ang nut. Ang Round Knobs na may Collar Rolling Nut ay madaling gamitin kahit para sa mga baguhan, walang mga kumplikadong kasanayan na kailangan.

      Packaging ng Produkto

      Gumagamit kami ng simple, praktikal na packaging para mapanatiling ligtas ang mga mani. Para sa maliliit na order o sample, nakaimpake ang mga ito sa malinaw na plastic bag—karaniwan ay 100 o 200 piraso bawat bag. Ang bawat bag ay may pangunahing label na may sukat, materyal, at numero ng batch, upang madali mong mahanap ang kailangan mo.

      Ang maramihang mga order ay napupunta sa matibay na mga karton. Depende sa laki ng nut, ang bawat karton ay naglalaman ng 5000 hanggang 10000 piraso. Naglalagay kami ng foam o bubble wrap sa loob para pigilan ang mga ito sa pagkamot o paggalaw habang nagpapadala. Ang mga karton ay may malinaw na marka para sa paghawak, tulad ng "manatiling tuyo" o "walang pagsasalansan ng mabibigat na bagay."

      Kung kailangan mo ng custom na packaging—tulad ng iyong logo sa mga bag o isang partikular na dami sa bawat pack—ipaalam lang sa amin kapag nag-order. Walang labis na magarbong bagay, kung ano lang ang gumagana para sa imbakan at pagpapadala. Ito ay kasama sa mga karaniwang opsyon na ito, na akma sa karamihan ng maliliit na workshop, malalaking pabrika, o mga pangangailangan ng mga gumagamit ng DIY.

      Round Knobs With Collar Rolling Nut

      Q&A Session

      Anong kapal ng sheet metal ang angkop para sa Round Knobs na may Collar Rolling Nut?  

      A: Ito ay pinakamahusay na gumagana sa manipis hanggang katamtamang sheet na metal, na may hanay ng kapal na 0.5mm hanggang 2.5mm. Ang masyadong makapal na metal ay hindi hahayaan itong mai-lock nang maayos, at masyadong manipis ay maaaring mag-deform sa panahon ng pag-install. Ang mga karaniwang materyales tulad ng cold-rolled steel, aluminum, at stainless steel sheet ay okay lang. Siguraduhin lamang na ang sukat ng butas na naunang na-drill ay tumutugma sa panlabas na diameter ng nut—maaari kaming magbigay ng tsart ng laki kung kailangan mo ito para sa sanggunian.  

      Round Knobs With Collar Rolling Nut

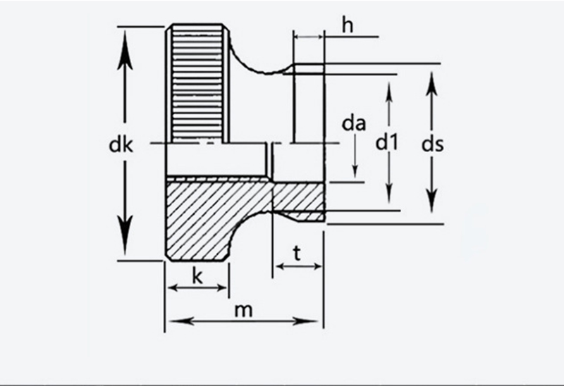
      laki Pitch Panlabas na diameter taas k ds da d1 T h
      max min max min max min max min max
      M3 0.5  11  10.7  6.64  2.8  5.7  3.5  3.2  5.2  1.2 
      M4 0.7  12  11.7  7.64  7.64  4.5  4.2  6.4  2.5  1.5 
      M5 0.8  16  15.7  10  96.6  10  9.64  5.5  5.5 
      M6 20  19.7  12  11.6  12  11.6  6.56  6.2  11  2.5 
      M8 1.25  24  23.7  16  15.6  16  15.6  8.86  8.5  13 
      M10 1.5 30 29.7 20 19.5 8 20 19.5 10.9 10.5 17.2 6.5 3.8
      Mga Hot Tags: Round Knobs na may Collar Rolling Nut, China, Manufacturer, Supplier, Factory
      Kaugnay na Kategorya
      Magpadala ng Inquiry
      Mangyaring huwag mag-atubiling ibigay ang iyong pagtatanong sa form sa ibaba. Sasagot kami sa iyo sa loob ng 24 na oras.
      X
      We use cookies to offer you a better browsing experience, analyze site traffic and personalize content. By using this site, you agree to our use of cookies. Privacy Policy
      Reject Accept