Bahay > Mga produkto > Nut > Iba pang mga mani > Self-locking nuts dalawang lug anchor
        Self-locking nuts dalawang lug anchor

        Self-locking nuts dalawang lug anchor

        Xiaoguo® Self-Locking Nuts Dalawang Lug Anchor ay isang nut na gawa nang mahigpit na naaayon sa pamantayan ng aerospace ng US Isang 373-1991, na ginagamit para sa permanenteng pangkabit sa isang nakakalason na kapaligiran. SELF LOCKING NUTS Dalawang Lug Anchor ay ginagamit sa mga senaryo tulad ng mga sasakyang panghimpapawid at mga hanger ng engine.
        Modelo:AN 373-1991

        Magpadala ng Inquiry

        Paglalarawan ng Produkto



        Friction self-locking: self locking nuts dalawang lug anchor ay may isang naylon singsing na naka-embed sa panloob na thread (temperatura resistant-55 ℃ ~ 120 ℃), na bumubuo ng 20% ​​karagdagang metalikang kuwintas kapag kinagat ang bolt, at ang antas ng anti-loosening ay umaabot sa NASM 55570 klase 3;

        Double-ear Limiter: Ang dobleng lugs ay nakikipagtulungan sa slot ng palyet upang limitahan ang pag-ikot ng sarili na nakakandado ng mga mani ng dalawang lug anchor, pag-iwas sa "maling self-locking" na kababalaghan ng tradisyonal na single-ear nuts.



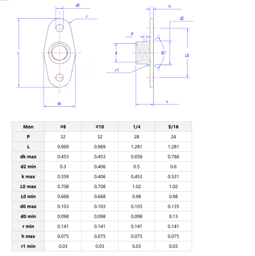
        Mga detalye at mga parameter ng produkto


        Self locking nuts dalawang lug anchor na may pagkakabukod coating, para sa lithium baterya pack.

        Ang lug ng self-locking nuts dalawang lug anchor ay tumutugma sa bingaw ng plate ng suporta na may katumpakan ng ± 0.1mm, na sumusuporta sa solong kamay na pag-install ng bulag sa mga bulag na lugar tulad ng loob ng pakpak.




        Self-locking nuts one lug

        Self-locking nuts one lug


        Pamamahagi ng merkado

        Pamilihan
        Kita (nakaraang taon)
        Kabuuang kita (%)
        Hilagang Amerika
        Kumpidensyal
        21
        Timog Amerika
        Kumpidensyal 3
        Silangang Europa
        Kumpidensyal
        20
        Timog Silangang Asya
        Kumpidensyal
        3
        Oceania
        Kumpidensyal
        2
        Kalagitnaan ng silangan
        Kumpidensyal
        5
        Silangang Asya
        Kumpidensyal
        15
        Kanlurang Europa
        Kumpidensyal
        13
        Gitnang Amerika
        Kumpidensyal
        5
        Hilagang Europa
        Kumpidensyal
        2
        Timog Europa
        Kumpidensyal
        1
        Timog Asya
        Kumpidensyal
        5

        Domestic market

        Kumpidensyal
        5


        Industriya kung saan naaangkop ang produkto


        Kagamitan sa Militar: Koneksyon ng Missile Compartment, Mekanismo ng Pagtitiklop ng Drone Wing, Self Locking Nuts Dalawang Lug Anchor ay nakakatugon sa mga kinakailangan sa anti-loosening ng GJB 1217A-2017.

        Aerospace: Koneksyon sa balat ng sasakyang panghimpapawid (higit sa 2,000 piraso bawat C919), pag -aayos ng pipeline ng rocket propellant;

        Transportasyon ng Railway: Mataas na bilis ng riles ng Bogie Bolt Anchoring, Subway Door Hinge Self-Locking, upang makayanan ang 30Hz High-Frequency Vibration;

        Mga bagong sasakyan ng enerhiya: Lithium baterya pack box fastening;



        Mga Hot Tags: Self-locking nuts dalawang lug anchor, China, tagagawa, tagapagtustos, pabrika
        Kaugnay na Kategorya
        Magpadala ng Inquiry
        Mangyaring huwag mag-atubiling ibigay ang iyong pagtatanong sa form sa ibaba. Sasagot kami sa iyo sa loob ng 24 na oras.
        X
        Gumagamit kami ng cookies para mag-alok sa iyo ng mas magandang karanasan sa pagba-browse, pag-aralan ang trapiko sa site at i-personalize ang content. Sa paggamit ng site na ito, sumasang-ayon ka sa aming paggamit ng cookies. Patakaran sa Privacy
        Tanggihan Tanggapin