Ang uri ng mga marka ng bolt ng balikat para sa fastener ay tinukoy ng mga pamantayan ng lakas at materyal, kritikal para sa ligtas na pag -angat. Kasama sa mga karaniwang marka ang 4.8, 8.8, 10.9, at 12.9 para sa mga variant ng carbon steel - mas mataas na numero ay nangangahulugang mas malaking lakas. Ang grade 4.8 ay nababagay sa mga light-duty na gawain tulad ng Home DIY, habang ang 8.8 ay gumagana para sa pangkalahatang pang-industriya na paggamit. Ang mataas na lakas na 10.9 at 12.9 na marka ay humahawak ng mabibigat na naglo-load sa konstruksyon o makinarya.
Ang mga hindi kinakalawang na bersyon ng bakal ay madalas na sumusunod sa mga marka ng A4 (316) o A2 (304), na pinapahalagahan ang paglaban ng kaagnasan para sa mga kapaligiran sa dagat/kemikal. Nag -aalok ang Forged Alloy Steel Grades ng higit na tibay para sa matinding pag -aangat. Ang bawat grade ay minarkahan ng mga rating ng pag -load, tinitiyak ang pagiging tugma sa mga inilaan na aplikasyon at pagsunod sa kaligtasan.
Ang kontrol ng kalidad para sa isang uri ng balikat ng bolt ay nangangahulugang paggawa ng masusing mga tseke upang matiyak na ligtas ito at gumagana nang tama. Ang prosesong ito ay karaniwang nagsasangkot sa pagtiyak na tama ang materyal na grade, suriin ang mga thread upang makita kung tumpak sila, at nagpapatakbo ng mga pagsubok sa pag -load upang kumpirmahin ang gumaganang limitasyon ng pag -load (WLL). Sinusuri din nila kung ang mga pamantayan sa pagtutugma ng mga sukat tulad ng DIN o ISO. Ang bawat batch ng mga bolts ng mata ay dapat na masubaybayan, at makakakuha ka ng isang sertipikasyon upang mapatunayan na nakakatugon ito sa mga kinakailangan para sa kung paano mo ito gagamitin.

Tanong: Paano ko tama na mai -install ang isang uri ng bolt ng mata ng balikat? Para sa isang karaniwang bolt, i -screw ito nang diretso sa isang butas na tinapik - siguraduhin na ang balikat ng mata ay humipo sa ibabaw. Ang paghila sa isang anggulo ay ganap na mapuputol ang ligtas na pag -load ng pagtatrabaho, at mapanganib iyon.

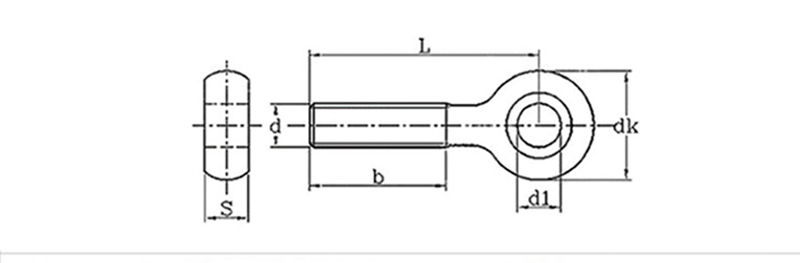
mm
Diameter ng Thread
D1
DK
s
M6
5
10.5
5.4
M8
6
13
7
M10
8
16
8.5
M12
10
19
10.5
M14
10
22
12