Bahay > Mga produkto > Bolt > Anchor Bolt > Square head square leeg anchor bolts
        Square head square leeg anchor bolts
        • Square head square leeg anchor boltsSquare head square leeg anchor bolts
        • Square head square leeg anchor boltsSquare head square leeg anchor bolts
        • Square head square leeg anchor boltsSquare head square leeg anchor bolts

        Square head square leeg anchor bolts

        Ang parisukat na ulo ng leeg na leeg na mga bolts ay may parisukat na ulo na may parisukat na leeg na konektado sa ulo sa ilalim at isang sinulid na istraktura sa kabilang dulo.Ang mga bolts na ginawa ng Xiaoguo® pabrika ay angkop para sa maliit na mga proyekto ng DIY at malaking sukat na konstruksyon, at maaaring magamit nang maayos sa kongkreto at iba pang mga matigas na materyales.
        Modelo:BS 7419-1991

        Magpadala ng Inquiry

        Paglalarawan ng Produkto

        Ang ulo ng square head square leeg na mga bolts ng leeg ay parisukat, at ganoon din ang leeg. Ang disenyo ng parisukat na ulo ay nagbibigay ng isang malaking lugar ng contact para sa wrench, tinitiyak ang mas matatag na aplikasyon ng puwersa. Ito ay partikular na praktikal sa mga senaryo na nangangailangan ng malakas na metalikang kuwintas at mga hakbang na anti-slip.

        Mga parameter ng produkto

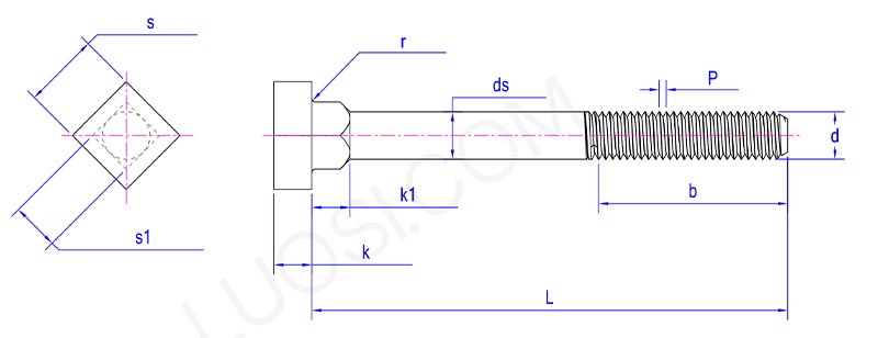
        square head square neck anchor bolts parameter

        Mon
        M16
        M20
        M24
        M30
        M36
        M42
        M48
        M56
        M64
        P
        2 2.5 3 3.5 4 4.5 5 5.5 6
        B Max
        122 127.5 133 140.5 148 155.5 163 172.5 182
        B min
        116 120 124 130 136 142 148 156 164
        DS Max
        16.7 20.84 24.84 30.84 37 43 49 57.2 65.2
        DS min
        15.3 19.16 23.16 29.16 35 41 47 54.8 62.8
        K min
        9.25 11.6 14.1 17.65 21.45 24.95 28.95 33.75 38.75
        K Max
        10.75 13.4 15.9 19.75 23.55 27.05 31.05 36.25 41.25
        R min
        0.6 0.8 0.8 1 1 1.2 1.6 2 2
        S Max
        24 30 36 46 55 65 75 85 95
        s min
        23.16 29.16 35 45 53.8 63.1 73.1 82.8 92.8
        K1 min
        7.25 9.25 11.1 14.1 17.1 19.95 22.95 26.95 30.75
        K1 Max
        8.75 10.75 12.9 15.9 18.9 22.05 25.05 29.05 33.25
        S1 max
        16.7 20.84 24.84 30.84 37 43 49 57.2 65.2
        S1 min
        15.3 19.16 23.16 29.16 35 41 47 54.8 62.8

        Mga Tampok ng Produkto

        Ang square head square leeg anchor bolts ay tumutukoy sa firm bolts na naka -embed bago ang kongkreto ay nagpapatibay. Matapos ang kongkreto na hardens, ang square leeg ay i -lock angBoltssa lugar upang maiwasan ang mga ito mula sa pag -ikot kapag ang mga mani ay masikip mamaya. Ang mga ito ay mga pundasyon na direktang naka -angkla ng mga mabibigat na bagay tulad ng mga haligi, machine o istruktura na bakal sa kongkretong pundasyon.

        Ang mga bolts ng anchor ay mahigpit na naka -install. Kapag pinigilan mo ang nut, ang parisukat na leeg ay mahigpit na mai -clamp sa naka -install na materyal, tulad ng kongkreto o kahoy, upang maiwasan ang pag -ikot ng bolt kasama ang nut. Sa ganitong paraan, ang nakapirming bagay ay maaaring manatiling matatag sa lugar at hindi mag -iling o madaling lumipat.

        Ang pag -install ng panukat na bolt na ito ay isinasagawa sa panahon ng proseso ng pagbuhos ng kongkreto. Maaari kang gumamit ng mga template o mga fixture upang iposisyon ang mga ito, siguraduhin na ang mga may sinulid na dulo ay nakaharap paitaas. Ang pangunahing hakbang ay upang i -embed ang parisukat na bahagi ng leeg sa basa na kongkreto. Habang ang kongkreto ay nagpapatibay sa paligid ng parisukat na leeg, mahigpit itong hawakan ang parisukat na leeg. Pagkatapos nito, kailangan mo lamang ilagay ang item sa bolt at pagkatapos ay higpitan ang nut sa nakalantad na thread.

        Ang square head square leeg anchor bolts ay shock-resistant. Sapagkat ang mga bolts ay pisikal na naka -lock sa kongkreto sa pamamagitan ng matigas na materyal na nakapaligid sa parisukat na leeg, mas malamang na paluwagin sila dahil sa panginginig ng boses o paggalaw.Ito ay nagbibigay -daan sa kanila na mapagkakatiwalaan ang pag -vibrate ng makinarya o mga istraktura na napapailalim sa mga dynamic na naglo -load tulad ng hangin o trapiko.


        Mga Hot Tags: Square Head Square Neck Anchor Bolts, China, Tagagawa, Tagatustos, Pabrika
        Kaugnay na Kategorya
        Magpadala ng Inquiry
        Mangyaring huwag mag-atubiling ibigay ang iyong pagtatanong sa form sa ibaba. Sasagot kami sa iyo sa loob ng 24 na oras.
        X
        Gumagamit kami ng cookies para mag-alok sa iyo ng mas magandang karanasan sa pagba-browse, pag-aralan ang trapiko sa site at i-personalize ang content. Sa paggamit ng site na ito, sumasang-ayon ka sa aming paggamit ng cookies. Patakaran sa Privacy
        Tanggihan Tanggapin