Bahay > Mga produkto > Bolt > T-bolt > T Head Bolts na May Square Neck
        T Head Bolts na May Square Neck
        • T Head Bolts na May Square NeckT Head Bolts na May Square Neck
        • T Head Bolts na May Square NeckT Head Bolts na May Square Neck
        • T Head Bolts na May Square NeckT Head Bolts na May Square Neck
        • T Head Bolts na May Square NeckT Head Bolts na May Square Neck
        • T Head Bolts na May Square NeckT Head Bolts na May Square Neck

        T Head Bolts na May Square Neck

        Ang T head bolts na may square neck ay ginagamit sa mga factory machine at istruktura tulad ng conveyor system o modular setup. Ang kanilang flat top na disenyo ay nagbibigay-daan sa kanila na maupo nang flush (walang dumidikit) at pinipigilan sila sa pag-ikot, kahit na sa ilalim ng pressure. Ang mga pangunahing produkto ng Xiaoguo® ay mga bolts, nuts, screws, washers, at custom parts.
        Modelo:DIN 186-1988

        Magpadala ng Inquiry

        Paglalarawan ng Produkto

        T head bolts na may parisukat na leegay karaniwang gawa sa mga de-kalidad na materyales tulad ng carbon steel, stainless steel (A2/A4), o alloy steel. Ang bawat materyal ay may sariling perks.

        Ang mga carbon steel ay pinainit - ginagamot sa Grade 8.8 o 10.9. Ang mga ito ay talagang malakas at kayang hawakan ang mabibigat na kargada.

        hindi kinakalawang na aseroT head bolts na may parisukat na leeggumana nang maayos sa mga lugar kung saan maraming kaagnasan. Iyon ay dahil mayroon silang chromium sa mga ito.

        Ang mga haluang metal na bakal ay matigas at kayang tumayo sa matinding temperatura.

        Pinipili namin ang mga materyales na nakakatugon sa mga pamantayan ng industriya gaya ng ASTM o DIN para gawin ang mga bolts na ito. Maingat naming pinoproseso ang mga ito upang makagawa ng mga bolts na may iba't ibang laki ayon sa iba't ibang pangangailangan. Ang ilang bolts ay gumagamit ng mga pinagulong sinulid, na mas lumalaban sa pagsusuot at angkop para sa mga operasyong may mataas na stress.

        T head bolts with square neck

        Aplikasyon

        T head bolts na may parisukat na leegay ginagamit ng maraming sa mga industriya na nangangailangan ng malakas, adjustable fasteners.

        Mga CNC machine: Ang mga bolts ay may hawak na mga tool sa mga T-slotted na mesa, na ginagawang madali upang mabilis na ilipat ang mga bagay sa paligid.

        Mga Kotse: Ginagamit ng mga mekaniko ang mga ito para sa mga engine mount at mga frame ng kotse dahil pinipigilan ng mga ito ang mga vibrations.

        Konstruksyon: Bolted steel frame na maaaring ayusin o palitan kung may mga problema.

        Conveyor system: Simpleng i-maintain, madaling i-disassemble.

        Agrikultura, robotics at wind turbines:T head bolts na may parisukat na leegay nababaluktot at maaaring tumulong sa iba't ibang sitwasyon sa pag-install.

        May kakayahang makayanan ang mga puwersa ng pagtulak at paghila, ang T-head bolts ay maaaring gamitin sa mga high-pressure na operasyon na nangangailangan ng kaligtasan at katumpakan.

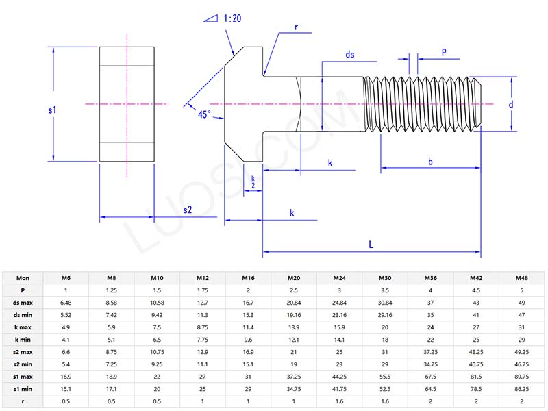
        T head bolts with square neck parameter

        FAQ

        T: Paano ko pipiliin ang tamang materyal na grado para saT head bolts na may parisukat na leegsa kinakaing unti-unti na kapaligiran?

        A: Kung ang iyong kapaligiran ay kalawangin o kinakaing unti-unti:

        Ang hindi kinakalawang na asero (tulad ng AISI 316/A4) ay pinakamahusay, ang chromium at nickel sa loob nito ay lumalaban sa kalawang at mga kemikal.

        Sulit sa budget? Gumagana ang zinc-plated o galvanized carbon steel bolts para sa panlabas o marine na paggamit (hindi kasing tigas ng stainless, ngunit mas mura).

        Para sa mga super harsh spot (tulad ng mga offshore rig), pumili ng mga titanium bolts, na mas lumalaban sa corrosion.

        Palaging suriin kung kaya ng materyal ang init at mga kemikal ng iyong proyekto. Mga sertipikasyon tulad ng ASTM F593 (para sa hindi kinakalawang). Ang pagpili ng mga tamang bolts ay nakakatipid sa iyo ng pera sa mga pag-aayos at pagpapalit sa mahirap na mga kondisyon.

        Mga Hot Tags: T Head Bolts na may Square Neck, China, Tagagawa, Supplier, Pabrika
        Kaugnay na Kategorya
        Magpadala ng Inquiry
        Mangyaring huwag mag-atubiling ibigay ang iyong pagtatanong sa form sa ibaba. Sasagot kami sa iyo sa loob ng 24 na oras.
        X
        Gumagamit kami ng cookies para mag-alok sa iyo ng mas magandang karanasan sa pagba-browse, pag-aralan ang trapiko sa site at i-personalize ang content. Sa paggamit ng site na ito, sumasang-ayon ka sa aming paggamit ng cookies. Patakaran sa Privacy
        Tanggihan Tanggapin