Bahay > Mga produkto > Nut > Hand Screw Ang Nut > Black Nickel Plating Rolling Nut
        Black Nickel Plating Rolling Nut
        • Black Nickel Plating Rolling NutBlack Nickel Plating Rolling Nut
        • Black Nickel Plating Rolling NutBlack Nickel Plating Rolling Nut

        Black Nickel Plating Rolling Nut

        Direktang pinagmumulan ng matibay na Black Nickel Plating Rolling Nut na mga bahagi. Bilang isang nangungunang pabrika ng China Black Nickel Plating Rolling Nut, ang XIAO GUO ay gumagawa ng mga nuts na may recirculating ball bearings para sa minimal friction, mahabang buhay, at mataas na kapasidad ng pagkarga.

        Magpadala ng Inquiry

        Paglalarawan ng Produkto

        Ang pinakakaraniwang pagpipilian ay ang Black Nickel Plating Rolling Nut na gawa sa carbon steel. Ito ay sapat na malakas para sa mga regular na trabaho sa sheet metal, tulad ng pagpupulong ng muwebles o pag-aayos ng maliliit na kagamitan. Karamihan sa mga carbon steel ay may zinc plating upang maiwasan ang kalawang, na mahusay na gumagana para sa panloob na paggamit o natatakpan na mga lugar sa labas.

        Para sa mga mamasa-masa na kapaligiran o panlabas na paggamit, ang hindi kinakalawang na asero ay isang mas mahusay na pagpipilian. Ito ay lumalaban sa kahalumigmigan at kaagnasan, kahit na sa bahagyang maalat na mga lugar malapit sa baybayin. Mayroon din kaming mga bersyon ng aluminum para sa magaan na pangangailangan—karamihan ay ginagamit sa electronics, kung saan maaaring makaapekto ang mabibigat na bahagi sa performance ng device.

        Ang lahat ng mga materyales ay nakakatugon sa mga pangunahing pamantayan ng industriya, walang karagdagang hindi kinakailangang paggamot. Pumili ng carbon steel para sa pang-araw-araw na gawain, hindi kinakalawang na asero para sa mga basang lugar, at aluminyo para sa magaan na trabaho. Sinasaklaw ng mga opsyon sa materyal ng Black Nickel Plating Rolling Nut ang karamihan sa mga karaniwang pangangailangan sa pagpupulong, walang magarbong add-on na mga praktikal na pagpipilian lamang.


        Paggamot sa ibabaw ng produkto

        Ang zinc plating ay ang pinakakaraniwang opsyon. Isa itong pangunahing proseso na nakakatulong na maiwasan ang kalawang, mabuti para sa panloob na paggamit o natatakpan na mga lugar sa labas. Hindi ito nagdaragdag ng dagdag na kapal, kaya hindi ito makakaapekto kung paano magkasya ang nut sa butas ng sheet metal sa panahon ng pag-install. Karamihan sa pang-araw-araw na paggamit ng mga mani ay kasama ng paggamot na ito.

        Para sa mas mahusay na paglaban sa kaagnasan, mayroong hot-dip galvanizing. Ito ay mas makapal kaysa sa regular na zinc plating, kaya mas matagal ito sa mga lugar na mahalumigmig o mga lugar na may kaunting kahalumigmigan, tulad ng mga workshop malapit sa baybayin. Para sa mga stainless steel nuts, gumagawa kami ng passivation treatment—pinapataas lang nito ang kanilang likas na kakayahan sa kalawang nang hindi binabago ang kanilang hitsura.

        Walang magarbong coatings dito, mga praktikal lang. Pumili ng zinc plating para sa mga karaniwang pangangailangan, hot-dip galvanizing para sa mamasa-masa na kapaligiran, at passivation para sa mga stainless steel na modelo. Ang mga pang-ibabaw na paggamot ng Black Nickel Plating Rolling Nut ay tungkol sa pangunahing proteksyon, na umaangkop sa mga pinakakaraniwang sitwasyon ng pagpupulong ng sheet metal.

        Black Nickel Plating Rolling Nut

        Q&A Session

        Q: Maaari ko bang i-install ito nang walang mga propesyonal na tool?

        A: Hindi, kailangan mo ng basic press tool o maliit na riveting machine. Ang manu-manong pagmamartilyo ay hindi inirerekomenda; masisira nito ang mga sinulid ng nut o maluwag ito. Para sa maliliit na batch, gumagana ang isang handheld manual press tool. Para sa malalaking order, ang isang awtomatikong press machine ay mas mahusay. Maaari rin kaming magrekomenda ng mga modelo ng tool na akma sa aming mga produkto kung wala ka pang tama.  

        Black Nickel Plating Rolling Nut



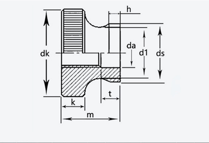
        laki Pitch Panlabas na diameter taas k ds da d1 T h
        max min max min max min max min max
        M3 0.5  11  10.7  6.64  2.8  5.7  3.5  3.2  5.2  1.2 
        M4 0.7  12  11.7  7.64  7.64  4.5  4.2  6.4  2.5  1.5 
        M5 0.8  16  15.7  10  96.6  10  9.64  5.5  5.5 
        M6 20  19.7  12  11.6  12  11.6  6.56  6.2  11  2.5 
        M8 1.25  24  23.7  16  15.6  16  15.6  8.86  8.5  13 
        M10 1.5 30 29.7 20 19.5 8 20 19.5 10.9 10.5 17.2 6.5 3.8
        Mga Hot Tags: Black Nickel Plating Rolling Nut, China, Tagagawa, Supplier, Pabrika
        Kaugnay na Kategorya
        Magpadala ng Inquiry
        Mangyaring huwag mag-atubiling ibigay ang iyong pagtatanong sa form sa ibaba. Sasagot kami sa iyo sa loob ng 24 na oras.
        X
        Gumagamit kami ng cookies para mag-alok sa iyo ng mas magandang karanasan sa pagba-browse, pag-aralan ang trapiko sa site at i-personalize ang content. Sa paggamit ng site na ito, sumasang-ayon ka sa aming paggamit ng cookies. Patakaran sa Privacy
        Tanggihan Tanggapin