Hoist nut
      • Hoist nutHoist nut
      • Hoist nutHoist nut
      • Hoist nutHoist nut

      Hoist nut

      Ang kalidad ng nut ng Xiaoguo® ay pinahiran ng isang layer na lumalaban sa kaagnasan na maaaring magamit sa malupit na mga kapaligiran. Ang wastong pag -install ng hoist nut ay kritikal, pagkatapos ay dapat na ganap na sinulid sa mga katugmang materyales upang matiyak ang kapasidad ng pag -load at maiwasan ang mga aksidente.
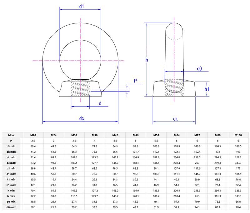
      Modelo:DIN 582-2018

      Magpadala ng Inquiry

      Paglalarawan ng Produkto

      Hoist nutay susi sa mga industriya na nangangailangan ng ligtas na pag -angat ng overhead. Sa konstruksyon, nasanay na sila upang ma -secure ang mga beam ng bakal o mga module ng prefab. Inilalagay ito ng mga tagagawa sa makinarya para sa pag -aayos ng mga linya ng pagpupulong. Ang mga pag -setup ng teatro ay gumagamit ng pag -aangat ng mga mata ng mata para sa mga nakabitin na ilaw at kagamitan sa entablado. Ang mga automotive shop ay nag -angat ng mga makina o tsasis sa kanila. Ang mga inhinyero ng dagat ay nakakabit sa kanila sa mga lalagyan ng kargamento o mga bahagi ng mga barko. Kahit na ang mga nababago na proyekto ng enerhiya ay gumagamit ng pag -aangat ng mga mata ng mata para sa pagpapanatili ng mga turbin ng hangin. Ginagamit sila sa aerospace, pagmimina, at mga emergency rescue job din. Kapag gumagawa ng mahahalagang gawain, palaging gumamit ng pag -angat ng mga mata ng mata na may hardware na na -rate para sa parehong pag -load.

      Mga detalye ng produkto


      Hoist nutHalika sa sukatan at imperyal na laki. Ang mga diametro ng Thread ay pupunta mula sa M8 hanggang M64 o 1/4 "hanggang 2-1/2". Ang kanilang mga rating ng WLL ay nagbabago mula sa 0.25 tonelada hanggang sa higit sa 20 tonelada, at nakasalalay ito sa materyal at kung paano ito dinisenyo. Ang diameter ng mata ay karaniwang umaangkop sa mga karaniwang shackles ng industriya, tulad ng 10mm hanggang 50mm.

      Kapag pinipili ang mga ito, siguraduhin na ang thread pitch ay tumutugma sa iyong punto ng angkla. Ang mga magaspang na mga thread ay mas mabilis na magkasama, habang ang mga pinong mga thread ay mas mahusay na gumagana kung may panginginig ng boses. Maaari kang makakuha ng pasadyang pag-aangat ng mga mani ng mata, tulad ng mga may mas mahabang mata o kaliwang mga thread.

      Suriin ang mga tsart ng tagagawa upang tumugma sa laki, kapasidad ng pag -load, at kung ano ang ginagamit mo para sa mga ito. Ang paggamit ng mga napakalaki o napakaliit ay hindi ligtas, kaya manatili sa tamang mga spec para sa iyong trabaho.

      Hoist Nut


      FAQ


      T: Maaari bang magamit ang nut na ito sa lubos na kinakaing unti -unting mga kapaligiran tulad ng dagat at panlabas?

      A: Yep, ang amingHoist nutay gawa sa mga anti-rust na materyales: hot-dip galvanized steel (isipin ang mabibigat na duty na zinc coating); Hindi kinakalawang na asero (304/316 grado) at zinc-nickel plating. Ang hindi kinakalawang na asero ay ang ginustong materyal para sa pagharap sa maalat na hangin sa dagat o mga kemikal na kapaligiran na maaaring pigilan ang pagguho ng kahalumigmigan ng tubig sa dagat at sikat ng araw. Ang mga hot-dip galvanized ay sapat na matigas para sa mga panlabas na site ng konstruksyon.

      Mga parameter ng produkto

      Hoist Nut

      Mga Hot Tags: Hoist Nut, China, tagagawa, tagapagtustos, pabrika
      Kaugnay na Kategorya
      Magpadala ng Inquiry
      Mangyaring huwag mag-atubiling ibigay ang iyong pagtatanong sa form sa ibaba. Sasagot kami sa iyo sa loob ng 24 na oras.
      X
      We use cookies to offer you a better browsing experience, analyze site traffic and personalize content. By using this site, you agree to our use of cookies. Privacy Policy
      Reject Accept