Bahay > Mga produkto > Screw > Iba pang mga tornilyo > Panel Spring Screw
        Panel Spring Screw
        • Panel Spring ScrewPanel Spring Screw
        • Panel Spring ScrewPanel Spring Screw
        • Panel Spring ScrewPanel Spring Screw
        • Panel Spring ScrewPanel Spring Screw
        • Panel Spring ScrewPanel Spring Screw

        Panel Spring Screw

        Ang panel spring screw ay isang pinagsamang fastener na naayos sa manipis na plato sa pamamagitan ng riveting. Ang turnilyo ay hindi mahuhulog kapag lumuwag, na ginagawang angkop para sa mga sitwasyong nangangailangan ng madalas na pag-disassembly. Ang Xiaoguo® Factory ay nagtataglay ng isang komprehensibong network ng logistik, na nagbibigay-daan sa real-time na pagsubaybay ng mga kalakal at tinitiyak ang maayos na paghahatid.

        Magpadala ng Inquiry

        Paglalarawan ng Produkto

        Ang panel spring screws ay isang uri ng specialized fastener. Dinisenyo ang mga ito para mapanatili ang matatag at maaasahang tensyon sa mga assemblies na tinatamaan ng vibrations, pagbabago ng temperatura, o paglipat ng mga load. Hindi tulad ng mga regular na turnilyo, mayroon silang mga built-in na springy na bahagi, kadalasan sa washer o thread na disenyo, na kumikilos tulad ng spring. Nakakatulong ito sa kanila na kumapit sa puwersa ng pag-clamp at hindi lumuwag.


        Ang mga karaniwang turnilyo ay maaaring mawalan ng pagod o pagpapahinga sa mga sitwasyong ito, ngunit ang mga UN spring screw ay pumapasok. Ang mga ito ay isang matalinong solusyon para sa mahihirap na mekanikal na koneksyon na nangangailangan ng patuloy na presyon at paglaban sa panginginig ng boses, na talagang nakakatulong na mapanatiling malakas at pangmatagalan ang mga kasukasuan sa mga mahirap na kondisyon.

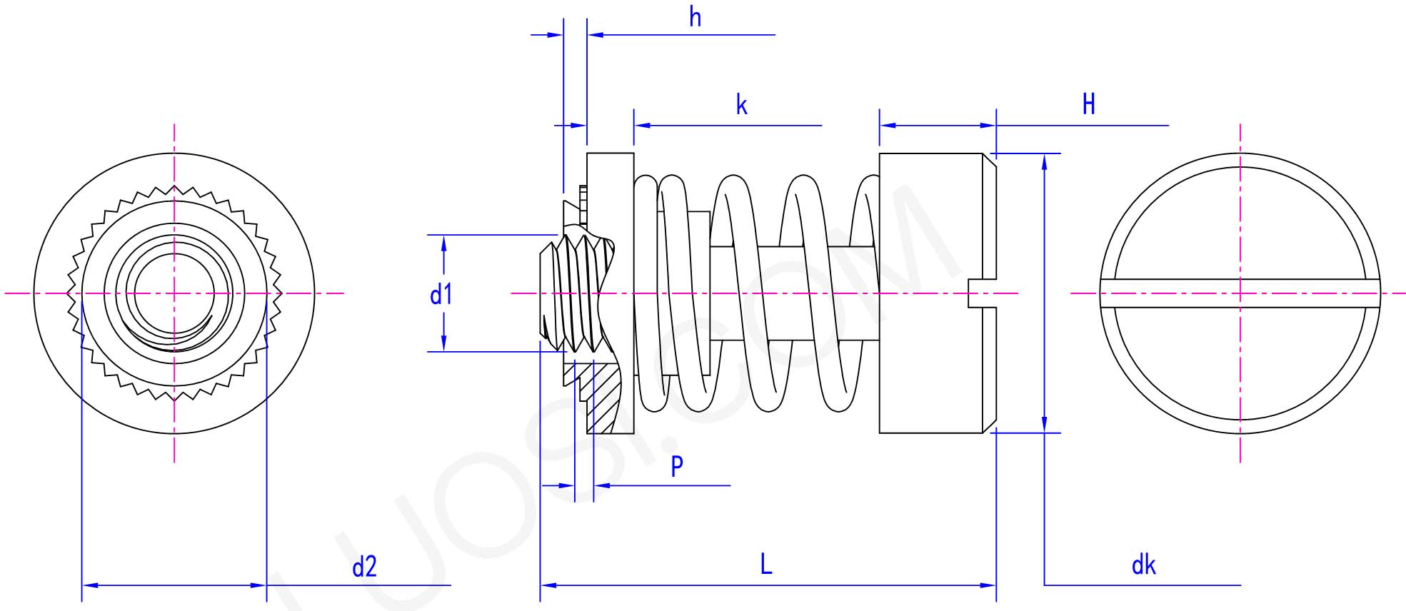
        Mga parameter ng produkto

        Mon 440 632 832 032 0420
        P 40 32 32 32 32
        d1 #4 #6 #8 #10 1/4
        d2 max 0.202 0.218 0.249 0.311 0.374
        dk max 0.416 0.448 0.478 0.54 0.635
        dk min 0.396 0.428 0.458 0.52 0.615
        h max 0.058 0.058 0.058 0.058 0.058
        k max 0.128 0.128 0.128 0.12 0.148
        k min 0.118 0.118 0.118 0.11 0.138
        H max 0.207 0.207 0.212 0.225 0.247
        H min 0.197 0.197 0.202 0.215 0.237

        Panel Spring Screw


        Mga kalamangan

        Ang mga pangunahing dahilan para pumili ng mga panel spring screw ay kung gaano kahusay ang pag-iingat ng mga ito sa preload at pinipigilan ang mga vibrations sa pagpapaluwag sa mga ito. Iyan ay talagang nagpapalakas kung gaano maaasahan at ligtas ang iyong pagpupulong. Ang ilang malalaking plus ay nangangailangan na gumawa ng mas kaunting maintenance, itigil ang mga malalaking pagkabigo sa mahahalagang system, at makatipid ng pera sa pamamagitan ng hindi nangangailangan ng mga karagdagang bagay sa pag-lock tulad ng mga nuts o pandikit.


        Gumagana nang mas mahusay ang mga turnilyo ng spring ng UN sa mga lugar na may mataas na stress, na pinapanatili ang isang matatag na puwersa ng pag-clamping sa paglipas ng panahon. Ang kanilang matalinong disenyo ay tumatalakay sa mga karaniwang problema tulad ng bolt fatigue at joint slippage. Para sa mga inhinyero na nagmamalasakit sa tibay at kaligtasan sa mga kotse, eroplano, o pang-industriya na makina, ang mga ito ay isang walang-brainer na pag-upgrade.


        Anong mga materyales na lumalaban sa kaagnasan ang karaniwang ginagamit sa paggawa ng mga turnilyo?

        T: Anong mga materyales ang karaniwang ginawa ng iyong panel spring screws para sa corrosion resistance?

        A: Ang aming regular na UN spring screw ay kadalasang gawa sa hindi kinakalawang na asero, tulad ng A2 (304) o A4 (316). Ang mga ito ay mahusay na gumagana laban sa kalawang sa karamihan ng mga sitwasyon. Kung kailangan mo ng ibang bagay, maaari rin kaming gumawa ng carbon steel na may zinc plating o iba pang coatings, ipaalam lamang sa amin. Para sa talagang mahihirap na kapaligiran, maaari pa nga tayong mag-quote ng mga espesyal na haluang metal tulad ng Hastelloy. Ang materyal na iyong pipiliin ay makakaapekto sa kung gaano katagal ang UN spring screws at kung gaano kahusay ang mga ito sa iyong partikular na setup.

        Mga Hot Tags: Panel Spring Screw, China, Tagagawa, Supplier, Pabrika
        Kaugnay na Kategorya
        Magpadala ng Inquiry
        Mangyaring huwag mag-atubiling ibigay ang iyong pagtatanong sa form sa ibaba. Sasagot kami sa iyo sa loob ng 24 na oras.
        X
        Gumagamit kami ng cookies para mag-alok sa iyo ng mas magandang karanasan sa pagba-browse, pag-aralan ang trapiko sa site at i-personalize ang content. Sa paggamit ng site na ito, sumasang-ayon ka sa aming paggamit ng cookies. Patakaran sa Privacy
        Tanggihan Tanggapin