Bahay > Mga produkto > Welding nuts > Welded Stud > Round Flat Head Projection Weld Studs
        Round Flat Head Projection Weld Studs
        • Round Flat Head Projection Weld StudsRound Flat Head Projection Weld Studs
        • Round Flat Head Projection Weld StudsRound Flat Head Projection Weld Studs
        • Round Flat Head Projection Weld StudsRound Flat Head Projection Weld Studs

        Round Flat Head Projection Weld Studs

        Ang mga round flat head projection weld stud ay idinisenyo para sa hinang sa ibabaw ng mga plastik. Gumagamit sila ng init upang matunaw at i-bonding ang mga materyales nang hindi nasisira ang mga ito. Tinitiyak ng disenyo nito ang isang secure na pagkakasya at pinipigilan ang plastic mula sa pag-crack. Ang Xiaoguo® Factory ay nagbibigay ng mga fastener ng iba't ibang laki at modelo, na maaaring magamit sa iba't ibang mga sitwasyon.
        Modelo:QC/T 891-2011

        Magpadala ng Inquiry

        Paglalarawan ng Produkto

        Ang mga round flat head projection weld stud ay pangunahing binubuo ng screw rod at ulo. Iba-iba ang disenyo ng ulo. Ang ilan ay medyo malawak upang madagdagan ang lugar ng pakikipag-ugnay sa plastik sa panahon ng hinang; ang iba ay may mga espesyal na pattern o protrusions upang mapadali ang mas mahusay na pagsasama sa plastic.

        Mga application at parameter ng produkto

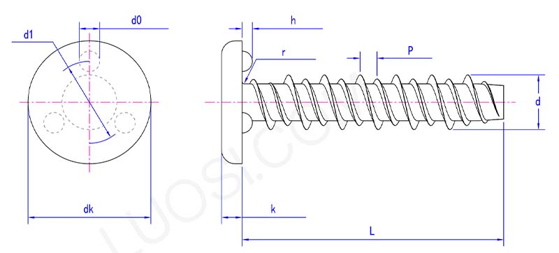
        Round flat head projection weld studs parameter

        Mon
        NST3 NST3.5
        NST4
        NST5
        NST6
        P
        1.1 1.3 1.4 1.6 1.8
        d1
        6.2 7 8 9.2 10.8
        d0 max
        1.1 1.4 1.9 2.1 2.7
        d0 min
        0.9 1.2 1.7 1.9 2.4
        dk max
        8.3 9.4 10.9 12.3 14.5
        dk min
        8.1 9.2 10.7 12.1 14.2
        h max
        0.45 0.55 0.7 0.8 1.05
        h min
        0.35 0.45 0.6 0.7 0.95
        k max
        1 1.2 1.3 1.7 2.1
        k min
        0.6 1 1.1 1.5 1.9
        r max
        0.4 0.5 0.6 0.7 1.0


        Ang mga round flat head projection weld stud ay ginagamit sa industriya ng pagmamanupaktura ng electronics. Halimbawa, kapag gumagawa ng mga casing ng telepono, mga casing ng tablet, mga casing ng headphone, atbp., mangangailangan ng paggamit ng mga ganitong uri ng mga turnilyo ang ilang koneksyon sa panloob na plastic na istrukturang bahagi. Kapag nag-i-install ng mga plastic na bahagi tulad ng lalagyan ng baterya at ang motherboard shield sa loob ng telepono, ikabit ang mga ito sa kaukulang mga posisyon sa pamamagitan ng welding, at pagkatapos ay i-install ang iba pang mga bahagi.

        Ang mga weld screw na ito ay ginagamit sa industriya ng paggawa ng laruan. Maraming mga laruan ang binuo mula sa mga plastik na bahagi, at ang mga bahaging ito ay maaaring gamitin upang ikonekta ang mga ito. Tulad ng mga plastik na bloke ng gusali para sa paggawa ng mga laruang kastilyo, mga modelong plastik na sasakyan, atbp. Tinitiyak nila ang tibay ng mga laruan at ang kaligtasan para sa paggamit ng mga bata.

        Ang projection weld studs ay ginagamit sa industriya ng pagmamanupaktura ng mga produktong sambahayan. Maraming mga produktong plastik, tulad ng mga plastic storage box, plastic na mesa at upuan, atbp., ang gagamit ng mga ito. Kapag nag-i-install ng mga hawakan, partisyon at iba pang bahagi ng storage box, hinangin ang welding screws sa pangunahing katawan ng storage box, at pagkatapos ay i-install ang mga kaukulang bahagi. Tinitiyak nito na ang mga sangkap na ito ay hindi madaling maluwag sa panahon ng madalas na pang-araw-araw na paggamit, sa gayon ay nagpapahusay sa pagiging praktikal at buhay ng serbisyo ng kahon ng imbakan.

        Tampok ng produkto

        Ang mga round flat head projection weld stud ay makakamit ang isang secure at maginhawang koneksyon sa pagitan ng mga plastic na bahagi. Sa pamamagitan ng hinang, ito ay malapit na nakakabit sa mga bahagi ng plastik, na may mataas na lakas ng koneksyon, na epektibong pumipigil sa mga bahagi mula sa pag-loosening. Ang operasyon ng hinang ay medyo simple. Para sa mga may ilang karanasan sa pagpoproseso ng plastik, madali itong makabisado at mapapahusay ang kahusayan sa produksyon.


        Mga Hot Tags: Round Flat Head Projection Weld Studs, China, Tagagawa, Supplier, Pabrika
        Kaugnay na Kategorya
        Magpadala ng Inquiry
        Mangyaring huwag mag-atubiling ibigay ang iyong pagtatanong sa form sa ibaba. Sasagot kami sa iyo sa loob ng 24 na oras.
        X
        Gumagamit kami ng cookies para mag-alok sa iyo ng mas magandang karanasan sa pagba-browse, pag-aralan ang trapiko sa site at i-personalize ang content. Sa paggamit ng site na ito, sumasang-ayon ka sa aming paggamit ng cookies. Patakaran sa Privacy
        Tanggihan Tanggapin