Bahay > Mga produkto > Nut > Round Nut > DIN 1804 Nut
        DIN 1804 Nut
        • DIN 1804 NutDIN 1804 Nut
        • DIN 1804 NutDIN 1804 Nut

        DIN 1804 Nut

        Ang supplier at manufacturer ng China na Xiaoguo® ay dalubhasa sa DIN 1804 nut na maaaring magamit muli. Ang produkto ay nag-aalok ng mataas na cost-effectiveness at maaaring epektibong mabawasan ang mga gastos sa pagpapanatili sa mahabang panahon. Kung bumili ka ng Bulk DIN 1804 nuts, makakakuha ka ng mas paborableng presyo.

        Magpadala ng Inquiry

        Paglalarawan ng Produkto

        Mga tool sa pag-install

        Bagama't ang DIN 1804 nut ay may simpleng istraktura, ang tamang pag-install ay ang susi sa pagtiyak sa pagganap ng pag-lock nito.

        (1)Core tool: Hook-type na wrench (dapat gamitin), ang karaniwang pamantayan ay DIN 1810.

        Mayroong iba't ibang anyo:

        1)Naayos na uri na may nakataas na ilong: Sumusunod sa pamantayan ng DIN 1810, ito ang pinakamalawak na ginagamit na karaniwang opsyon.

        2)Hinged/Adjustable type: Sinasaklaw ng isang tool ang maramihang mga detalye, na angkop para sa mga sitwasyong may variable na kondisyon sa pagtatrabaho.

        3)Uri ng kit: Gaya ng isang 8-pirasong set, na naglalaman ng iba't ibang mga detalye, nagpapadali sa sentralisadong pamamahala at paggamit.

        (2)Mga pantulong na tool: Torque wrench: Upang matiyak ang tumpak na kontrol ng locking force, maraming hook-type wrenches ang idinisenyo na may square tongue interface na maaaring ikonekta sa torque wrenches. (3)Mga accessory na anti-loosening: Upang makamit ang anti-loosening effect, ang nut ay dapat ipares sa kaukulang anti-loosening device, gaya ng locking washer o thread locking adhesive.

        DIN 1804 Nut

        Mga hakbang sa pag-install

        (1)Paghahanda bago ang Pag-install

        Kumpirmahin ang mga detalye: Tiyaking ang detalye ng thread ng DIN 1804 nut ay pare-pareho sa sa shaft.

        Pag-inspeksyon sa paglilinis: Linisin nang lubusan ang baras, mga sinulid ng nut at mga susing ibabaw, at suriin kung may mga burr o pinsala.

        Kumpirmahin ang load-bearing surface: Sa panahon ng pag-install, ang gilid ng nut na may pinong makinang ibabaw ay dapat nakaharap sa bearing o sa dulong mukha ng workpiece.

        (2)Paunang paghihigpit

        Manu-manong pagpasok: Ihanay nang maaga ang nut sa dulo ng baras, at pagkatapos ay ipasok ito sa pamamagitan ng kamay para sa 2 hanggang 3 pagliko.

        (3)Aparatong anti-loosening

        I-install ang locking washer ayon sa anti-loosening scheme (dapat nakahanay ang panloob na dila sa keyway sa shaft) o ilapat ang thread locking adhesive.

        (4)Huling paghihigpit

        Maingat na ipasok ang nakausli na ilong ng hook wrench sa uka ng nut (tandaan na simula sa detalye ng M45x1.5, ang nut ay may 6 na grooves, at kailangan mong maglapat ng puwersa nang mas pantay-pantay)

        (5)Pag-lock at Kumpirmasyon

        Paggamit ng mekanikal na anti-loosening (locking ring): Pagkatapos higpitan ang nut, ibaluktot ang panlabas na dila ng singsing at ipasok ito sa anumang puwang ng nut upang makamit ang mekanikal na pag-lock.

        Gumamit ng kemikal na anti-loosening (thread locking adhesive): Ilapat ito pagkatapos linisin ang mga sinulid at bago higpitan, at hintayin itong matuyo.

        Panghuling inspeksyon: Gumamit ng torque wrench upang muling suriin ang torque.

        DIN 1804 Nut

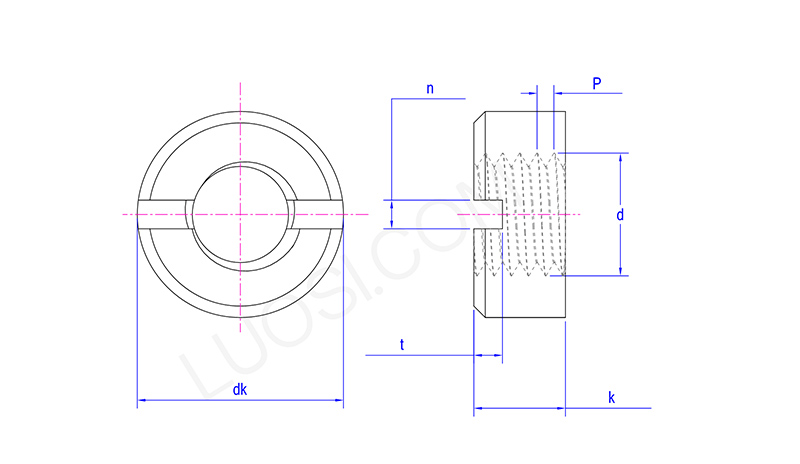
        Mon M3.5 M4 M5 M6 M8 M10 M12 M14 M16 M18 M20
        P 0.6 0.7 0.8 1 1.25 1.5 1.75 2 2 2.5 2.5
        dk max 7 8 9 11 14 18 21 24 26 29 32
        dk min 6.64 7.64 8.64 10.57 13.57 17.57 20.48 23.48 25.48 28.48 31.38
        k max 3 3.5 4.2 5 6.5 8 10 11 12 13 14
        k min 2.75 3.2 3.9 4.7 6.14 7.64 9.64 10.57 11.57 12.57 13.57
        n min 1.46 1.46 2.06 2.56 3.06 3.57 4.07 4.07 4.07 4.07 5.07
        n max 1.71 1.71 2.31 2.81 3.31 3.87 4.37 4.37 4.37 4.37 5.37
        t min 1 1.2 15 2 2.5 3.2 3.8 3.8 3.8 4.8 4.8
        t max 1.40 1.60 1.90 2.4 3 3.7 4.3 4.3 4.3 5.5 5.5

        Mga Tagubilin sa Pag-install

        (1)Huwag malito ang load-bearing surface: Siguraduhin na ang pinong makinang d3 surface ay malapit na magkadikit, na ang magaspang na ibabaw ay nakaharap sa direksyon ng pagpapatakbo ng tool.

        (2)Ang halaga ng torque ay napakahalaga: ang sobrang mataas na metalikang kuwintas ay maaaring makapinsala sa mga sinulid o maging sanhi ng pag-deform ng baras; ang hindi sapat na mataas na torque ay nagreresulta sa hindi sapat na pre-tightening force, na ginagawang ang DIN 1804 nut ay madaling lumuwag.

        (3)Tamang paggamit ng mga tool: Tiyaking ang laki ng socket wrench ay eksaktong tumutugma sa panlabas na diameter ng nut upang maiwasang masira ang slot.

        (4)Ang puwersa ng preload ay dapat isaalang-alang: Kapag ginamit para sa pagdadala ng preload, kinakailangang tiyak na itakda ang puwersa ng preload gamit ang mga propesyonal na pamamaraan.

        (5)Regular na inspeksyon: Sa panahon ng paunang operasyon ng kagamitan o pagkatapos ng malalaking pag-aayos, kinakailangang magsagawa ng regular na pagsusuri sa katayuan ng pagkandado ng mga mani upang maiwasan ang pagluwag.

        Mga Hot Tags: DIN 1804 Nut, China, Tagagawa, Supplier, Pabrika
        Kaugnay na Kategorya
        Magpadala ng Inquiry
        Mangyaring huwag mag-atubiling ibigay ang iyong pagtatanong sa form sa ibaba. Sasagot kami sa iyo sa loob ng 24 na oras.
        X
        Gumagamit kami ng cookies para mag-alok sa iyo ng mas magandang karanasan sa pagba-browse, pag-aralan ang trapiko sa site at i-personalize ang content. Sa paggamit ng site na ito, sumasang-ayon ka sa aming paggamit ng cookies. Patakaran sa Privacy
        Tanggihan Tanggapin