Bahay > Mga produkto > Nut > Round Nut > Slotted Circular Nut
        Slotted Circular Nut
        • Slotted Circular NutSlotted Circular Nut
        • Slotted Circular NutSlotted Circular Nut

        Slotted Circular Nut

        Ang China Xiaoguo® Slotted circular nut ay may kakayahang makayanan ang iba't ibang malupit na kapaligiran at madaling makayanan ang mga stainless steel na materyales. Ito ang natitirang paglaban sa kaagnasan ng produkto. Ang mga supplier ng Slotted circular nut ay magbibigay sa iyo ng mga de-kalidad na produkto.

        Magpadala ng Inquiry

        Paglalarawan ng Produkto

        Pamamaraan sa paghawak ng problema

        Tungkol sa mga karaniwang isyu ng Slotted circular nut, ito ay isang sistematikong pamamaraan sa paghawak na makakatulong sa iyong mabilis na matukoy at malutas ang mga problema.

        (1)Tukuyin ang problema

        Visual na inspeksyon: Suriin kung ang mga mani ay maluwag, kung ang mga sinulid ay kinakalawang o nadulas, at kung mayroong anumang mga bitak o deformasyon sa mga puwang.

        Pakiramdam ng pagsubok: Sa isang ligtas na kondisyon, subukang manu-manong iikot ang nut at obserbahan kung mayroong anumang halatang pagtutol o rotational gap.

        Feedback ng kagamitan: Bigyang-pansin kung mayroong anumang abnormal na panginginig ng boses, hindi pangkaraniwang ingay o hindi matatag na operasyon ng kagamitan.

        Propesyonal na tool: Magsagawa ng mga random na inspeksyon gamit ang isang torque wrench.

        (2)Pag-diagnose ng pagkakamali

        Maluwag ang nut.

        Hindi matanggal ang tornilyo.

        Pagsuot ng sinulid

        Nasira ang nut.

        Pinsala ng slot

        (3)Isagawa ang pagkukumpuni

        Direktang pag-aayos: Para sa mga maluwag na bahagi at maliit na kalawang, ang pagpapadulas at muling paghihigpit ay maaaring direktang isagawa.

        Palitan ng mga bagong piyesa: Para sa mga mani na may mga sinulid na malubha, nasira o sirang mga uka, dapat itong palitan nang direkta.

        Standard Operating Procedure: Kapag nagpapatakbo, palaging gamitin ang mga tamang tool at sundin ang karaniwang torque.

        Slotted Circular Nut

        Kapasidad ng produksyon ng kumpanya

        Alam na alam namin na ang mga advanced na diskarte sa produksyon at kagamitan ay ang pundasyon para sa pagtiyak ng mataas na kalidad at mataas na kapasidad ng produksyon. Samakatuwid, ipinakilala namin ang mga advanced na diskarte sa pagbuo ng metal. Sa pamamagitan ng mga hulma, ang mga metal rod ay sumasailalim sa plastic deformation upang mabuo ang pangunahing hugis ng mga mani, at isang automated na proseso ng slotting ay pinagtibay upang makamit ang mahusay at tumpak na pagproseso ng slotting. Ang pinagsama-samang linya ng produksyon ay nagbibigay-daan sa buong proseso mula sa mga hilaw na materyales hanggang sa mga natapos na produkto na malayang magawa. Kasabay nito, nilagyan kami ng mga instrumento sa pagsubok at isang full-process na quality control system para subaybayan at subaybayan ang buong proseso ng produksyon ng Slotted circular nut.

        Slotted Circular Nut

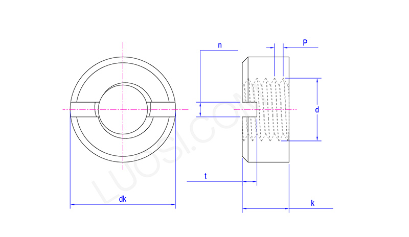
        Mon M3.5 M4 M5 M6 M8 M10 M12 M14 M16 M18 M20
        P 0.6 0.7 0.8 1 1.25 1.5 1.75 2 2 2.5 2.5
        dk max 7 8 9 11 14 18 21 24 26 29 32
        dk min 6.64 7.64 8.64 10.57 13.57 17.57 20.48 23.48 25.48 28.48 31.38
        k max 3 3.5 4.2 5 6.5 8 10 11 12 13 14
        k min 2.75 3.2 3.9 4.7 6.14 7.64 9.64 10.57 11.57 12.57 13.57
        n min 1.46 1.46 2.06 2.56 3.06 3.57 4.07 4.07 4.07 4.07 5.07
        n max 1.71 1.71 2.31 2.81 3.31 3.87 4.37 4.37 4.37 4.37 5.37
        t min 1 1.2 15 2 2.5 3.2 3.8 3.8 3.8 4.8 4.8
        t max 1.40 1.60 1.90 2.4 3 3.7 4.3 4.3 4.3 5.5 5.5

        FAQ

        (1)Ano ang mga karaniwang karaniwang detalye para sa Slotted circular nut?

        Kasama sa mga karaniwang pamantayan ang: GB/T 812 (Pambansang pamantayan ng Tsino), DIN 981 (pamantayan ng Aleman, kadalasang ginagamit para sa mga locking bearings), DIN 1804, at ANSI/ABMA 8.2 (Pamantayang Amerikano), atbp.

        (2)Maaari bang gamitin muli ang nut?

        Oo, hangga't ang istraktura tulad ng sinulid at ang puwang ng nut ay hindi nasira, ang nut body ay maaaring gamitin muli.

        (3)Ano ang inirerekomendang panahon ng pagpapanatili para sa mga mani?

        Inirerekomenda na magsagawa ng inspeksyon sa hitsura minsan sa isang buwan; at magsagawa ng random na re-tightening inspection gamit ang mga propesyonal na tool bawat quarter.

        (4)Ano ang pinakamahalagang data kapag pumipili ng detalye ng nut?

        Ang pinakamahalagang salik ay ang detalye ng thread (nominal diameter × pitch), at mahalagang i-verify ang pitch (tulad ng M16×1.5) upang matiyak na ito ay ganap na naaayon sa detalye ng thread ng shaft.


        Mga Hot Tags: Slotted Circular Nut, China, Tagagawa, Supplier, Pabrika
        Kaugnay na Kategorya
        Magpadala ng Inquiry
        Mangyaring huwag mag-atubiling ibigay ang iyong pagtatanong sa form sa ibaba. Sasagot kami sa iyo sa loob ng 24 na oras.
        X
        Gumagamit kami ng cookies para mag-alok sa iyo ng mas magandang karanasan sa pagba-browse, pag-aralan ang trapiko sa site at i-personalize ang content. Sa paggamit ng site na ito, sumasang-ayon ka sa aming paggamit ng cookies. Patakaran sa Privacy
        Tanggihan Tanggapin