Bahay > Mga produkto > Nut > Round Nut > Ganap na Sinulid na Slotted Round Nuts
        Ganap na Sinulid na Slotted Round Nuts
        • Ganap na Sinulid na Slotted Round NutsGanap na Sinulid na Slotted Round Nuts
        • Ganap na Sinulid na Slotted Round NutsGanap na Sinulid na Slotted Round Nuts

        Ganap na Sinulid na Slotted Round Nuts

        Ang Fully Threaded Slotted Round Nuts ay idinisenyo na may mga bingot sa panlabas na gilid nito para gamitin sa mga spanner ng pin. Sa ngayon, maraming mga customer ang bumibili ng mga produktong ito mula sa China XIAOGUO dahil ang mga ito ay cost-effective at may matatag at maaasahang supply.

        Magpadala ng Inquiry

        Paglalarawan ng Produkto

        Mga tagubilin sa paggamit ng produkto

        Fully Threaded Slotted Round Nuts - ang mga ito ay tinukoy ayon sa mga pamantayan tulad ng DIN 546 at pangunahing ginagamit upang makamit ang isang secure na pangkabit na koneksyon at makatiis sa mga vibrations. Ang pangunahing katangian ng mga mani na ito ay nasa mga puwang na pinutol sa isang dulo ng nut. Narito kung paano gamitin ang mga ito: Una, i-screw ang nut sa isang pre-drilled bolt o stud at higpitan ito sa nais na posisyon. Pagkatapos higpitan, ihanay ang slot sa butas sa bolt shaft. Panghuli, magpasok ng bukas na pin (locking washer) o linyang pangkaligtasan sa pamamagitan ng nakahanay na puwang at bolt hole, at pagkatapos ay ibaluktot ang mga dulo ng pin upang matiyak ang ligtas na pagkakaakma. Kaya, sa pagkakaroon ng mga vibrations, ang nut ay hindi maluwag.

        Packaging ng Produkto

        Batay sa aming mga resulta ng pagsisiyasat, nag-aalok kami ng hanay ng Fully Threaded Slotted Round Nuts, na lubos na angkop para sa mga pang-industriyang aplikasyon. Ang pag-iimpake ng mga ito sa mga bag o kahon ay isang pangkaraniwan at praktikal na paraan. Ang bawat bag ay karaniwang naglalaman ng isang tiyak na bilang ng mga mani, tulad ng 100 bawat bag. Ang bagged form na ito ay maginhawa para sa transportasyon, pagbibilang ng imbentaryo, at pamamahagi sa workshop o assembly line. Ang packaging ay karaniwang transparent o may mga label, na nagbibigay-daan sa iyo upang mabilis na matukoy ang uri at laki ng mga mani. Kung ikaw ay isang tagagawa o isang malaking mamimili, maaari rin kaming magbigay ng mas malaking dami ng karton na packaging o i-customize ang packaging ayon sa iyong mga kinakailangan. Nakakatulong ito na bawasan ang mga gastos at gawing mas maayos ang iyong supply chain ng proyekto.

        Q&A Session

        Anong mga materyales ang karaniwang gawa sa iyong Fully Threaded Slotted Round Nuts?

        A: Karaniwan naming ginagawa ang aming mga Nuts mula sa carbon steel para sa pangkalahatang paggamit. Mayroon din kaming mga opsyon na hindi kinakalawang na asero (mga grade 304 at 316) kung kailangan mo ng isang bagay na lumalaban sa kalawang, at mga tanso para sa mga non-magnetic na aplikasyon. Piliin lamang ang materyal para sa Nuts batay sa kung ano ang partikular na pangangailangan ng iyong kapaligiran at mekanikal.

        Fully Threaded Slotted Round Nuts


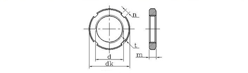
        yunit: mm
        d*P dk m n t Kalidad sa bawat 1000 bakal na produkto≈kz d*P dk m n t Kalidad sa bawat 1000 steel products≈kg
        max min max min max min max min
        M10*1 22 8 4.3 4 2.6 2 16.82 M64*2 95 12 8.36 8 4.25 3.5 351.9
        M12*1.25 25 21.58 M65*2 95 342.4
        M14*1.5 28 26.82 M68*2 100 10.36 10 4.75 4 380.2
        M16*1.5 30 5.3 5 3.1 2.5 28.44 M72*2 105 15 518
        M18*1.5 32 31.19 M75*2 105 477.5
        M20*1.5 35 37.31 M76*2 110 562.4
        M22*1.5 38 10 54.91 M80*2 115 608.4
        M24*1.5 42 68.88 M85*2 120 640.6
        M25*1.5 42 68.88 M90*2 125 18 12.43 12 5.75 5 796.1
        M27*1.5 45 75.49 M95*2 130 834.7
        M30*1.5 48 82.11 M100*2 135 873.3
        M33*1.5 52 6.3 6 3.6 3 93.32 M105*2 140 895
        M35*1.5 52 84.99 M110*2 150 14.43 14 6.75 6 1076
        M36*1.5 55 100.3 M115*2 155 22 1369
        M39*1.5 58 107.3 M120*2 160 1423
        M40*1.5 58 109.5 M125*2 165 1477
        M42*1.5 62 121.8 M130*2 170 1531
        M45*1.5 68 153.6 M140*2 180 26 1937
        M48*1.5 72 12 8.36 8 4.25 3.5 201.2 M150*2 200 16.43 16 7.9 7 2651
        M50*1.5 72 186.8 M160*3 210 2810
        M52*1.5 78 238 M170*3 220 2970
        M55*2 78 214.4 M180*3 230 30 3610
        M56*2 85 290.1 M190*3 240 3794
        M60*2 90 320.3 M200*3 250 3978





        Mga Hot Tags: Ganap na Threaded Slotted Round Nuts, China, Manufacturer, Supplier, Factory
        Kaugnay na Kategorya
        Magpadala ng Inquiry
        Mangyaring huwag mag-atubiling ibigay ang iyong pagtatanong sa form sa ibaba. Sasagot kami sa iyo sa loob ng 24 na oras.
        X
        Gumagamit kami ng cookies para mag-alok sa iyo ng mas magandang karanasan sa pagba-browse, pag-aralan ang trapiko sa site at i-personalize ang content. Sa paggamit ng site na ito, sumasang-ayon ka sa aming paggamit ng cookies. Patakaran sa Privacy
        Tanggihan Tanggapin