Bahay > Mga produkto > Nut > Round Nut > Ang katumpakan na notched slotted locking round nut
      Ang katumpakan na notched slotted locking round nut
      • Ang katumpakan na notched slotted locking round nutAng katumpakan na notched slotted locking round nut
      • Ang katumpakan na notched slotted locking round nutAng katumpakan na notched slotted locking round nut
      • Ang katumpakan na notched slotted locking round nutAng katumpakan na notched slotted locking round nut
      • Ang katumpakan na notched slotted locking round nutAng katumpakan na notched slotted locking round nut
      • Ang katumpakan na notched slotted locking round nutAng katumpakan na notched slotted locking round nut

      Ang katumpakan na notched slotted locking round nut

      Ang katumpakan na notched slotted locking round nut ay ang ginustong pag-secure ng solusyon na tinukoy ng mga inhinyero para sa mga aplikasyon kung saan ang kaligtasan ay pinakamahalaga at ang pag-loosening na hinihimok ng panginginig ng boses ay hindi maaaring tiisin. Para sa isang maaasahang kasosyo sa industriya ng fastener na inuuna ang kalidad at serbisyo, ang mga propesyonal sa buong mundo ay nagtitiwala sa pabrika ng Xiaoguo®.

      Magpadala ng Inquiry

      Paglalarawan ng Produkto

      Para sa mga shell ng mga elektronikong aparato at mga rack ng server, ang mga perforated na katumpakan na notched slotted locking round nut ay maaaring ayusin ang mga panel at mga sangkap na nangangailangan ng pagpapanatili. Maaari silang magamit muli at hindi maluwag dahil sa panginginig ng boses. Ang kanilang pabilog at mababang-profile na disenyo ay nangangahulugang hindi sila makakakuha ng bagay.

      Para sa industriya ng elektronika, ang aming mga presyo ay napaka -mapagkumpitensya. Ang mga order na higit sa $ 5000 ay maaaring tamasahin ang libreng serbisyo sa paghahatid. Karaniwan naming mas gusto na gumamit ng isang hindi conductive black coating. Mabilis naming nakumpleto ang paghahatid ng mga kalakal sa pamamagitan ng mga sentro ng rehiyon.

      Ang mga mani na ito ay inilalagay sa anti-static na ligtas at muling mai-seal na mga bag upang maprotektahan ang mga ito. Bago ang kargamento, susuriin namin ang kanilang laki at ang kapal ng patong.

      Mga detalye ng produkto

      Sa industriya ng riles, ang mga katumpakan na notched slotted locking round nut ay may malaking kabuluhan para sa mga bogies at mga sistema ng pag -aayos ng track. Kailangan itong makatiis ng malakas na panginginig ng boses at paulit-ulit na naglo-load at matugunan ang mga kinakailangan sa lakas para sa pangmatagalang paggamit. Ang mga mani na ito ay gawa ayon sa mahigpit na pamantayan, at ang kanilang tumpak na mga sukat ng slot ay idinisenyo upang mapadali ang ligtas na mga kable.

      Nag -aalok kami ng mga mapagkumpitensyang presyo para sa mga order ng gobyerno at riles, at mga diskwento para sa mga pagbili ng bulk. Karaniwan silang napapailalim sa paggamot ng itim na oxide. Nagtatrabaho kami nang malapit sa mga propesyonal na koponan ng logistik upang hindi lamang masiguro ang napapanahong paghahatid ng mga kalakal, ngunit sinusuportahan din ang pagsubaybay sa real-time ng buong chain ng logistik.

      Naipasa nito ang sertipikasyon ng IRIS International Railway Industry Standard Certification. Ang bawat batch ng mga produkto ay maaaring ganap na masubaybayan at ang kalidad ay may malinaw na batayan.

      Paggamot ng anti-kanal

      Nag-aalok kami ng iba't ibang mga paggamot sa ibabaw para sa aming katumpakan na notched slotted locking round nut mga produkto kabilang ang zinc plating, hot-dip galvanizing, at geomet coating. Ang mga paggamot na ito ay makabuluhang mapahusay ang paglaban ng kaagnasan ng bawat katumpakan na notched slotted locking round nut, pinalawak ang buhay ng serbisyo nito sa mapaghamong mga kapaligiran. Ang naaangkop na patong para sa iyong precision-notched slotted locking round nut ay nakasalalay sa iyong mga tiyak na kondisyon sa pagpapatakbo.


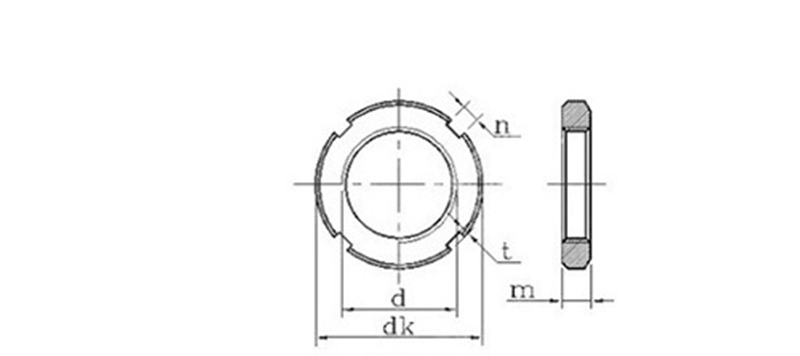
      Precision Notched Slotted Locking Round Nut



      D*p
      DK m n t 1000

      kg

      D*p
      DK m n t 1000

      ≈kg
      pattern ng Max min Max min pattern min
      M10*1 22 8 4.3 4 2.6 2 16.82 M64*2 95 12 8.36 8 4.25 3.5 351.9
      M12*1.25 25 21.58 M65*2 95 342.4
      M14*1.5 28 26.82 M68*2 100 10.36 10 4.75 4 380.2
      M16*1.5 30 5.3 5 3.1 2.5 28.44 M72*2 105 15 518
      M18*1.5 32 31.19 M75*2 105 477.5
      M20*1.5 35 37.31 M76*2 110 562.4
      M22*1.5 38 10 54.91 M80*2 115 608.4
      M24*1.5 42 68.88 M85*2 120 640.6
      M25*1.5 42 68.88 M90*2 125 18 12.43 12 5.75 5 796.1
      M27*1.5 45 75.49 M95*2 130 834.7
      M30*1.5 48 82.11 M100*2 135 873.3
      M33*1.5 52 6.3 6 3.6 3 93.32 M105*2 140 895
      M35*1.5 52 84.99 M110*2 150 14.43 14 6.75 6 1076
      M36*1.5 55 100.3 115*2 155 22 1369
      M39*1.5 58 107.3 M120*2 160 1423
      M40*1.5 58 109.5 M125*2 165 1477
      M42*1.5 62 121.8 M130*2 170 1531
      M45*1.5 68 153.6 M140*2 180 26 1937
      M48*1.5 72 12 8.36 8 4.25 3.5 201.2 M150*2 200 16.43 16 7.9 7 2651
      M50*1.5 72 186.8 M160*3 210 2810
      M52*1.5 78 238 M170*3 220 2970
      M55*2 78 214.4 M180*3 230 30 3610
      M56*2 85 290.1 190*3 240 3794
      M60*2 90 320.3 M200*3 250 3978

      Mga Hot Tags: Ang katumpakan na notched slotted locking round nut
      Kaugnay na Kategorya
      Magpadala ng Inquiry
      Mangyaring huwag mag-atubiling ibigay ang iyong pagtatanong sa form sa ibaba. Sasagot kami sa iyo sa loob ng 24 na oras.
      X
      We use cookies to offer you a better browsing experience, analyze site traffic and personalize content. By using this site, you agree to our use of cookies. Privacy Policy
      Reject Accept