Bahay > Mga produkto > Nut > Round Nut > Slotted Round Lock Nut
        Slotted Round Lock Nut
        • Slotted Round Lock NutSlotted Round Lock Nut
        • Slotted Round Lock NutSlotted Round Lock Nut

        Slotted Round Lock Nut

        Ang pangunahing tampok ng supplier ng China na Xiaoguo® Slotted round lock nut ay ang maaasahang anti-loosening performance nito. Ang prinsipyo ng pag-lock ay mekanikal, at maaari itong magbigay ng pisikal na sagabal kapag pinagsama sa isang split pin. May stock at handa nang ipadala ang slotted round lock nut. Samakatuwid, kung kailangan mo ng mahusay na anti-loosening na pagganap, lubos kong inirerekomenda na piliin mo ang aming produkto.

        Magpadala ng Inquiry

        Paglalarawan ng Produkto

        Paano pumili ng angkop na materyal

        Ang materyal ng slotted round lock nut ay magkakaiba. Ang iba't ibang mga materyales ay may iba't ibang mga function sa kaukulang mga sitwasyon. Kaya dapat mong gawin ang iyong pagpili batay sa iyong mga pangangailangan.

        (1)Ang pangunahing pagsasaalang-alang para sa kapaligiran ng paggamit: ordinaryong panloob, panlabas, kinakaing unti-unting panlabas, o kapaligirang dagat. Ang kapaligiran ay direktang makakaimpluwensya sa pagpili ng mga materyales.

        Halimbawa, sa mga panlabas na setting, ang hindi kinakalawang na asero (lalo na ang uri 316) ay inirerekomenda.

        (2)Mga kinakailangan sa pagganap ng pagtutugma: Pumili batay sa mga kondisyon ng pagkarga at panginginig ng boses na napapailalim sa kagamitan. Para sa normal na pagkarga, maaaring mapili ang carbon steel; para sa mataas na load/high vibration, kailangan ang alloy steel.

        (3)Matugunan ang mga espesyal na kinakailangan: Halimbawa, ang mga elektronikong aparato ay nangangailangan ng conductivity, kaya maaaring pumili ng tanso; para sa mga aplikasyon ng aerospace na nangangailangan ng magaan na materyales, maaaring pumili ng mga aluminyo na haluang metal o mga haluang metal ng titanium.

        (4)Pagbabalanse ng mga gastos: Ang carbon steel ang pinakatipid, ang hindi kinakalawang na asero ay katamtaman ang presyo, at ang mga espesyal na haluang metal ay ang pinakamahal. Gawin ang pagpili na nag-aalok ng pinakamahusay na halaga para sa pera batay sa pangkalahatang badyet at kahalagahan.

        Slotted Round Lock Nut

        Mga katangian ng iba't ibang mga materyales

        Tutukuyin namin ang pinakamahalaga at kilalang tampok ng iba't ibang materyales ng slotted round lock nut, na nagbibigay-daan sa iyong gumawa ng mga paghahambing at pagpili.

        materyal Lakas Paglaban sa Kaagnasan Timbang Gastos Mga Espesyal na Kalamangan
        Carbon steel Mataas Mahina (nangangailangan ng patong) Mabigat Mababa Murang Pangkalahatang layunin
        Alloy na bakal Mataas Mahina (nangangailangan ng patong) Mabigat Katamtaman Lumalaban sa impact at pagod
        hindi kinakalawang na asero Katamtaman Magaling Timbang Katamtaman-taas Hindi kinakalawang, hygienic
        tanso Mababa Mabuti Mabigat Gitna Conductive Explosion-proof
        Aluminyo haluang metal Katamtaman-mababa Mabuti Liwanag Katamtaman Banayad na timbang
        Titan haluang metal Mataas Magaling Katamtaman Napakataas Banayad + Malakas + Lumalaban sa kaagnasan
        Plastic napakababa mahusay napakagaan mababa insulating at self-lubricating

        Slotted Round Lock Nut

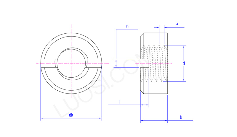
        Mon M3.5 M4 M5 M6 M8 M10 M12 M14 M16 M18 M20
        P 0.6 0.7 0.8 1 1.25 1.5 1.75 2 2 2.5 2.5
        dk max 7 8 9 11 14 18 21 24 26 29 32
        dk min 6.64 7.64 8.64 10.57 13.57 17.57 20.48 23.48 25.48 28.48 31.38
        k max 3 3.5 4.2 5 6.5 8 10 11 12 13 14
        k min 2.75 3.2 3.9 4.7 6.14 7.64 9.64 10.57 11.57 12.57 13.57
        n min 1.46 1.46 2.06 2.56 3.06 3.57 4.07 4.07 4.07 4.07 5.07
        n max 1.71 1.71 2.31 2.81 3.31 3.87 4.37 4.37 4.37 4.37 5.37
        t min 1 1.2 15 2 2.5 3.2 3.8 3.8 3.8 4.8 4.8
        t max 1.40 1.60 1.90 2.4 3 3.7 4.3 4.3 4.3 5.5 5.5

        Mga aplikasyon na naaayon sa iba't ibang mga materyales

        Inipon namin ang mga pangunahing industriya ng aplikasyon at mga katangian ng slotted round lock nut ng iba't ibang materyales para sa iyo.

        (1) Carbon steel: Pangkalahatang makinarya, barko, riles, makinarya sa konstruksyon, mabibigat na makinarya

        Mga Tampok: Matipid, may kakayahang matugunan ang mga kinakailangan sa lakas ng karamihan sa mga karaniwang industriya.

        (2) Alloy steel: Transportasyon ng riles (high-speed rail), lakas ng hangin, aerospace, mga sasakyan, mabibigat na makinarya

        Mga Tampok: Mataas na lakas, shock resistance, fatigue resistance, may kakayahang makatiis ng matinding dynamic load

        (3) Hindi kinakalawang na asero: Pagkain/pharmaceutical, kemikal, marine engineering, proteksyon sa kapaligiran, mga instrumentong katumpakan

        Mga Tampok: Napakahusay na paglaban sa kalawang at kaagnasan, tinitiyak ang kalinisan at tibay

        (4) Brass: Electrical, electronic, komunikasyon, explosion-proof, instrumento at kagamitan sa pagsukat; conductive, init conductive

        Mga Tampok: Walang spark sa panahon ng operasyon

        (5) Aluminum haluang metal: Aerospace, karera ng mga kotse, precision instruments, automation equipment

        Mga Tampok: Magaan, ang ginustong pagpipilian para sa pagkamit ng magaan sa kagamitan

        (6) Titanium alloy: Mga high-end na racing cars, deep-sea probe, chemical processing equipment, medical device; napakataas na lakas at napakagaan, na may pinakamataas na antas ng corrosion resistance

        (7) Plastic/Nylon: Electronics, electrical appliances, consumer goods, food processing, experimental equipment

        Mga Tampok: Insulating, non-corrosive, non-magnetic, at hindi scratch ang installation surface


        Mga Hot Tags: Slotted Round Lock Nut, China, Tagagawa, Supplier, Pabrika
        Kaugnay na Kategorya
        Magpadala ng Inquiry
        Mangyaring huwag mag-atubiling ibigay ang iyong pagtatanong sa form sa ibaba. Sasagot kami sa iyo sa loob ng 24 na oras.
        X
        Gumagamit kami ng cookies para mag-alok sa iyo ng mas magandang karanasan sa pagba-browse, pag-aralan ang trapiko sa site at i-personalize ang content. Sa paggamit ng site na ito, sumasang-ayon ka sa aming paggamit ng cookies. Patakaran sa Privacy
        Tanggihan Tanggapin