Para salocking collar na may bolt fixation, maaari kang pumili ng mga materyales batay sa kung ano ang kailangan mo. Ang carbon steel (tulad ng SAE 1070/1095) ay ginagamit kapag kailangan mo ng matibay na materyal para sa mahihirap na trabaho. Ang hindi kinakalawang na asero (AISI 304/316) ay gumagana nang maayos sa mga lugar kung saan maaaring kalawangin o kaagnasan ang mga bagay. Ang mga titanium alloy ay mabuti para sa mga bagay sa aerospace kung saan kailangan nila ito ng magaan ngunit malakas. Mayroon ding mga espesyal na bagay tulad ng Inconel® para sa mga sitwasyong may matinding temperatura, mainit man o talagang malamig.
Maingat nilang sinusubok ang bawat materyal upang matiyak na nananatili ito—sinusuri kung gaano ito kakayanin nang hindi masira (hanggang sa 1500 MPa) at kung gaano kalaki ang pagsusuot nito sa paglipas ng panahon. Ang iba't ibang mga materyales ay nangangahulugan na ang retaining ring na ito ay maaaring gumana sa maraming iba't ibang mga kapaligiran, mula sa sobrang lamig na mga lugar hanggang sa mga pabrika na may mataas na init.
Ang pag-aalaga salocking collar na may bolt fixationay nangangahulugan ng paggawa ng mga regular na pagsusuri sa higpit ng bolt, pagkasira sa ibabaw, o kalawang. Sa panahon ng pagpapanatili, higpitan ang mga bolts sa inirekumendang metalikang kuwintas ng tagagawa (karaniwan ay 20-50 Nm). Gumamit ng malumanay na panlinis upang punasan ang mga labi at maglagay ng anti-seize grease sa mga thread para mas madaling matanggal sa ibang pagkakataon. Kung makakita ka ng mga bitak o mali ang hugis ng singsing, palitan ito. Itago ang mga singsing sa isang tuyong lugar na may kontroladong temperatura upang hindi masira ang mga ito bago mo i-install ang mga ito. Ang pagsunod sa nakagawiang ito ay nakakatulong sa kanila na gumana nang pinakamahusay at maaari silang tumagal ng hanggang 30% na mas matagal.

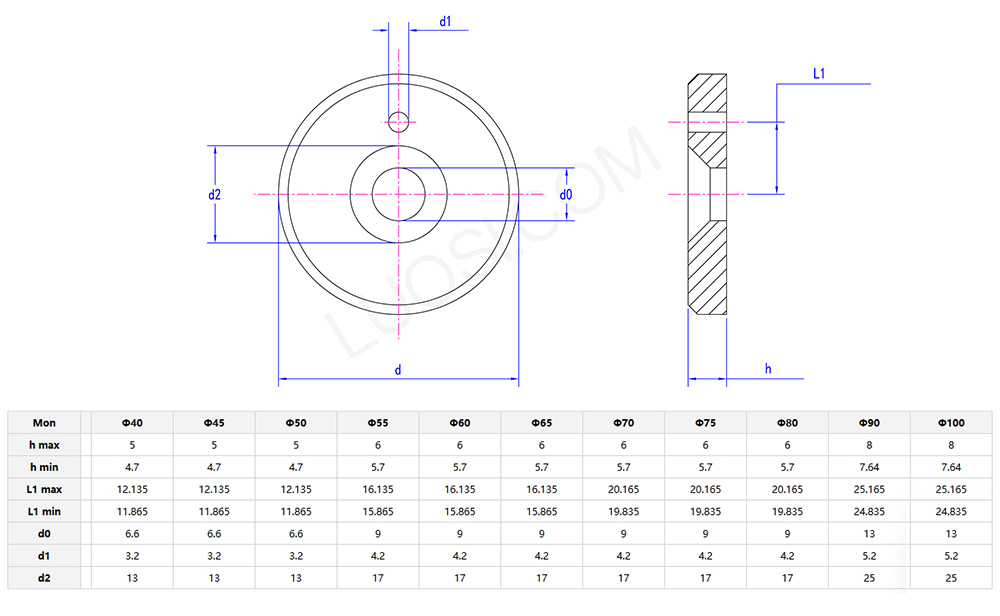
T: Paano ko matutukoy ang tamang sukat ng alocking collar na may bolt fixationpara sa diameter ng shaft ko?
A: Pagpili ng tamalocking collar na may bolt fixationdepende sa kapal ng iyong baras (OD) at uri ng sinulid. Magsimula sa pamamagitan ng pagsukat ng kapal ng iyong baras at ihambing ito sa gabay sa laki ng gumagawa. Mga pangunahing bagay na dapat tandaan: ang panloob na sukat ng kwelyo ay kailangang tumugma sa mga thread ng baras, ang laki ng bolt, at kung gaano kalaki ang kwelyo. Kung ang iyong shaft ay hindi sinulid, kailangan mo munang magdagdag ng mga thread. Palaging i-double check kung ang mga thread ay sukatan o imperyal - ang paghahalo sa kanila ay nagdudulot ng pananakit ng ulo. Para sa mga kakaibang laki ng shaft, umiiral ang mga custom na collar ngunit kukuha sila ng dagdag na oras at pera.
Ang aming mga bolt-fixed locking collars ay pangunahing gawa sa carbon steel. Pinipili namin ang materyal na ito dahil mayroon itong magandang tibay at resistensya sa pagsusuot, na maaaring matugunan ang mga pangunahing pangangailangan ng produkto sa paggamit.
Bago umalis ang mga produkto sa pabrika, pinahiran namin ang kanilang mga ibabaw ng isang anti-rust layer. Pinipigilan ng paggamot na ito ang mga kwelyo mula sa kalawang kapag ginagamit ang mga ito sa mahalumigmig na kapaligiran o nakaimbak nang mahabang panahon.
Mayroon din kaming mga opsyonal na materyales tulad ng hindi kinakalawang na asero, para sa mga customer na nangangailangan ng mas mahusay na resistensya sa kaagnasan. Ang kapal ng materyal ng produkto ay idinisenyo batay sa karaniwang mga kinakailangan sa pagdadala ng pagkarga, kaya hindi ito mababago o masira sa normal na paggamit.
Ang bahagi ng bolt ay gawa sa parehong materyal tulad ng kwelyo, kaya ang buong produkto ay may pare-parehong pagganap at katatagan.
Ang gastos sa pagpapadala para sa aming mga bolt-fixed na locking collar ay depende sa kung saan mo ipapadala ang mga ito, kung aling paraan ng pagpapadala ang pipiliin mo, at kung ilan ang iyong ino-order.
Kung sasama ka sa karaniwang logistik, mas mababa ang gastos, ngunit medyo mas matagal ang paghahatid—karaniwang 3 hanggang 7 araw ng trabaho. Para sa mga nagmamadaling order, maaari kang pumili ng express delivery, ngunit mas mahal iyon. Ang eksaktong dagdag na singil ay depende sa kung gaano kalayo ang kailangan ng kargamento.
Kapag umabot ang iyong order sa isang tiyak na dami, sasagutin namin ang gastos sa pagpapadala para sa iyo. Ang bawat produkto ay maliit at magaan, kaya kahit ang maliliit na batch na mga order ay hindi magkakaroon ng napakataas na bayad sa pagpapadala.
Bago kami magpadala ng anumang bagay, i-package namin nang maayos ang mga collar para maiwasan ang pagkasira habang nagbibiyahe. At ang halaga ng packaging na ito ay kasama na sa bayad sa pagpapadala—hindi mo kailangang magbayad ng dagdag para dito.
Kung gusto mong malaman ang eksaktong halaga ng pagpapadala, tanungin lamang ang aming customer service team. Kakalkulahin nila ito batay sa iyong mga partikular na detalye ng order.
Q: Ano ang MOQ at lead time para sa iyong Locking Collar na may Bolt Fixation, at nag-aalok ka ba ng mga diskwento sa maramihang order?
A: Ang minimum na dami ng order (MOQ) para sa karaniwang Locking Collar na may Bolt Fixation ay 300 piraso, na may lead time na 7–10 araw ng trabaho para sa mga regular na order. Para sa maramihang mga order na higit sa 5000 piraso, nag-aalok kami ng mga tiered na diskwento (3%–10% diskwento) upang bawasan ang iyong mga gastos sa pagbili. Ang Customized Locking Collar na may Bolt Fixation ay may MOQ na 500 piraso at 12–18 araw ng trabaho na lead time, kasama ang sample validation at pag-iiskedyul ng produksyon.