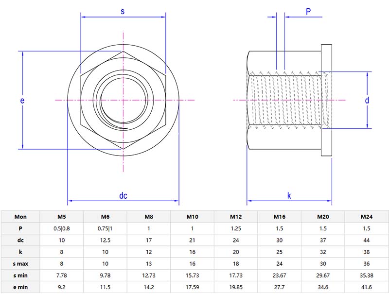
Hexagon nut na may kwelyoay karaniwang mga hexagon nuts. Mayroong isang pinalawig na cylindrical na kwelyo sa ilalim ng ulo ng hexagon. Ang kwelyo ay nagdaragdag ng karagdagang pakikipag -ugnayan sa thread at pinoprotektahan ang mga bolt thread mula sa pinsala. Ang kwelyo ay kumikilos tulad ng isang built-in na washer.

Hexagon nut na may kwelyoay praktikal na mga fastener kung saan ang kwelyo ay umaabot sa ilalim ng ulo ng hex, na nagbibigay sa iyo ng 2-3 dagdag na mga thread para sa isang mas ligtas na pagkakahawak. Ang karaniwang hexagonal na hugis ay maaaring magamit sa lahat ng mga ordinaryong wrenches, at ang makinis na gilid ng kwelyo ay ginagawang mas madali para sa mga manggagawa na mai -install. Bagaman bahagyang mas mabigat kaysa sa pangunahing nut, ang built-in na kwelyo ay nagdaragdag ng lakas at tinanggal ang pangangailangan para sa isang hiwalay na washer o gasket. Kapag kailangan mo ng karagdagang pakikipag -ugnayan sa thread o nais na mabawasan ang nakalantad na matulis na mga gilid sa mekanikal, konstruksyon, inirerekumenda namin na piliin mo ang amingHexagon nut na may kwelyo.

Bakit pumiliHexagon nut na may kwelyo?
Ang kwelyo ay humahawak ng bolt na mas mahaba, binabawasan ang panganib ng pagkawala ng thread sa ilalim ng mabibigat na naglo -load. Maaari rin itong masakop ang matalim na mga dulo ng bolt, na ginagawang mas ligtas na gamitin sa mga palaruan, kasangkapan o kagamitan. Kailangan lamang i -install ang nut, ang kwelyo ay maaaring maglaro ng isang dobleng papel. Tamang -tama para sa mga kapaligiran kung saan ang mga pagbabago sa haba ng bolt o mga thread ay nangangailangan ng proteksyon.
Hexagon nut na may kwelyoay ginagamit sa automotive (mga sistema ng suspensyon, mount mounts), konstruksyon at agrikultura. Ginagamit din ang mga ito sa pagpupulong ng kasangkapan, kagamitan sa fitness at mga proyekto ng DIY kung saan madalas na nababagay ang mga bolts.
Hexagon nut na may kwelyonagbibigay ng karagdagang kaligtasan sa thread. Walang karagdagang mga shims o takip na kinakailangan, ito ay perpekto para sa mga mahilig sa DIY o industriya na unahin ang kahusayan. Ito ay bahagyang mas mahal, ngunit nakakatipid ito ng oras at binabawasan ang bilang ng mga bahagi na ginamit.