Bahay > Mga produkto > Nut > Hexagon Flange Nut > Metric hex flange nut
        Metric hex flange nut
        • Metric hex flange nutMetric hex flange nut
        • Metric hex flange nutMetric hex flange nut
        • Metric hex flange nutMetric hex flange nut

        Metric hex flange nut

        Ang metric hex flange nut ay isang hexagon nut na may flange face na sumusunod sa sukat ng sukatan. Ang tagagawa ng Xiaoguo® ay nagbibigay ng metric hexagon flange nuts na nakakatugon sa mga pamantayan, at laging available ang mga propesyonal na tauhan upang sagutin ang mga tanong.
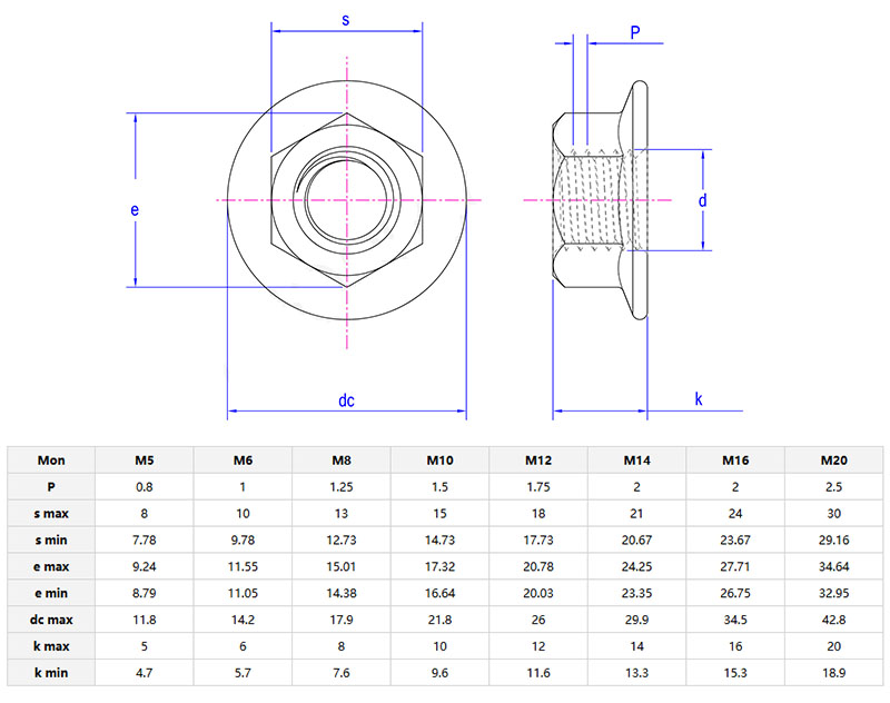
        Modelo:ASME/ANSI B18.2.4.4M-1982

        Magpadala ng Inquiry

        Paglalarawan ng Produkto

        Gumagamit ang mga mekaniko at construction worker ng metric hex flange nut sa mga kapaligirang may mataas na vibration. Ang flange ay humahawak ng mahigpit sa ibabaw, na binabawasan ang panganib na maluwag ang nut, at ang panukat na thread ay ADAPTS sa mga karaniwang bolts, kaya hindi mo kailangang i-customize ang mga espesyal na sukat.

        Metric hex flange nut

        Mga detalye at parameter ng produkto

        Ang metric hex flange nut ay kumbinasyon ng karaniwang hex nut at built-in na flange (washer). Maaari itong ipamahagi ang presyon upang protektahan ang ibabaw habang pinipigilan ang nut na lumuwag dahil sa panginginig ng boses. Ito ay makukuha sa bakal at hindi kinakalawang na asero para gamitin sa makinarya, sasakyan o konstruksyon. Tinatanggal ng mga flange ang pangangailangan para sa hiwalay na mga gasket, kaya nakakatipid ng oras ng pag-install at ang bilang ng mga bahagi.

        Gumagamit ang mga magsasaka at manggagawang pang-agrikultura ng metric hex flange nut sa mga tractor, harvester at mga sistema ng irigasyon. Pinipigilan ng mga flange ang mga nuts na lumuwag sa maalikabok o maputik na kapaligiran, at ang mga metric thread ay magkasya sa karamihan ng mga bolts ng kagamitan sa bukid. Ito ay sapat na malakas upang mapaglabanan ang pang-araw-araw na pagkasira, ngunit sapat na simple upang gumana at direktang palitan sa field. Ang pag-aayos man ng mga araro o mga silo ng butil, ang mga mani na ito ay nakakatipid ng oras ng mga gumagamit.

        Ang metric hex flange nut ay ginagamit sa electronics at robotics. Pinapanatili ng flange na matatag ang nut sa isang manipis na panel o circuit board nang walang labis na paghihigpit. Ang mga sukat ng sukatan ay umaayon sa tumpak na mga detalye ng engineering, na mahalaga para sa tumpak na kagamitan. Ginagamit ito ng mga hobbyist at propesyonal sa mga drone, 3D printer, o mga automated system kung saan maaaring maputol ng mga vibrations ang pagkakahanay ng mga nuts.



        Metric hex flange nut

        Ang aming pamamahagi sa merkado

        palengke
        Kita(Nakaraang Taon)
        Kabuuang Kita (%)
        Hilagang Amerika
        Kumpidensyal
        15
        Timog Amerika
        Kumpidensyal
        10
        Silangang Europa
        Kumpidensyal
        12
        Timog-silangang Asya
        Kumpidensyal
        10
        Gitnang Silangan
        Kumpidensyal
        7
        Silangang Asya
        Kumpidensyal
        17
        Kanlurang Europa
        Kumpidensyal
        15
        Timog Asya
        Kumpidensyal
        6
        Domestic palengke
        Kumpidensyal
        8

        Mga Tip sa Pagpapanatili

        Suriin ang metric hex flange nut para sa kalawang o baluktot na flange. Palitan kung ang mga sinulid ay natanggal o ang flange ay nabibitak. Para sa maalat na kapaligiran, pumili ng hindi kinakalawang na asero. Linisin ang mga sinulid gamit ang wire brush kung naipon ang mga labi. Iwasan ang sobrang paghihigpit sa malambot na materyales tulad ng plastik. Pindutin ang flange na patag laban sa ibabaw at higpitan gamit ang isang wrench. Ang flange ay naka-align sa sarili sa hindi pantay na mga spot. Gumamit ng torque wrench para sa mabibigat na kargada upang maiwasan ang pagtanggal ng mga sinulid.


        Mga Hot Tags: Metric hex flange nut, China, Manufacturer, Supplier, Factory
        Kaugnay na Kategorya
        Magpadala ng Inquiry
        Mangyaring huwag mag-atubiling ibigay ang iyong pagtatanong sa form sa ibaba. Sasagot kami sa iyo sa loob ng 24 na oras.
        X
        Gumagamit kami ng cookies para mag-alok sa iyo ng mas magandang karanasan sa pagba-browse, pag-aralan ang trapiko sa site at i-personalize ang content. Sa paggamit ng site na ito, sumasang-ayon ka sa aming paggamit ng cookies. Patakaran sa Privacy
        Tanggihan Tanggapin