Bahay > Mga produkto > Welding nuts > Welding screw > Weld Screw na May Metric Thread
        Weld Screw na May Metric Thread
        • Weld Screw na May Metric ThreadWeld Screw na May Metric Thread
        • Weld Screw na May Metric ThreadWeld Screw na May Metric Thread
        • Weld Screw na May Metric ThreadWeld Screw na May Metric Thread

        Weld Screw na May Metric Thread

        Ang weld screw na may metric thread ay ginagamit para sa welding sa ibabaw ng metal, at pagkatapos ay metric thread ang ginagamit upang ikonekta ang iba pang mga bahagi. Ang Xiaoguo® Company ay may sapat na imbentaryo ng mga kalakal na nasa stock. Ang mga ito ay angkop para sa pagmamanupaktura ng metal, automotive panel o pang-industriya na mga frame.
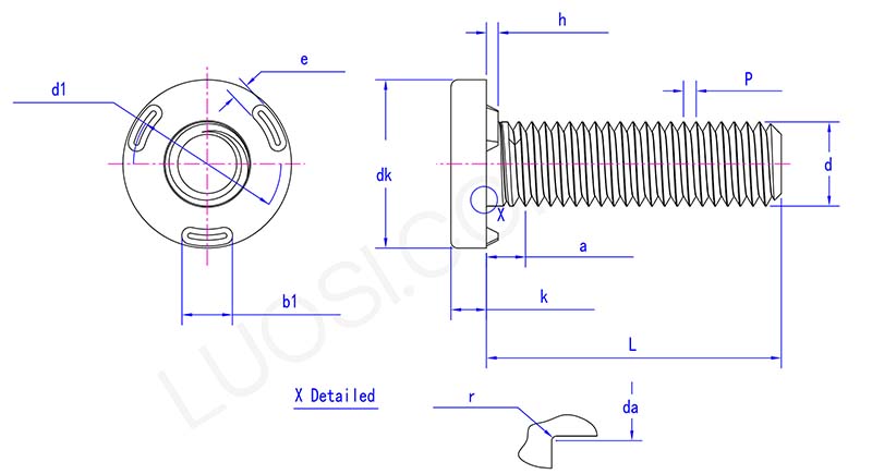
        Modelo:DIN 34817-2001

        Magpadala ng Inquiry

        Paglalarawan ng Produkto

        Mon
        M5 M6 M8 M10 M12 M14
        P
        0.8 1 1.25 1.5 1.5 1.5
        isang max
        2.4 2.8 3.7 4.4 4.6 4.6
        dk max
        10 12 16 20 24 28
        dk min
        9.64 11.57 15.57 19.48 23.48 27.48
        d1 min
        7.85 9.75 13.25 17.15 21.15 25.20
        d1 max
        8.21 10.11 13.68 17.58 21.67 25.72
        h max
        0.8 0.8 1.2 1.4 1.6 1.6
        h min
        0.7 0.7 1.1 1.3 1.5 1.5
        k max
        2.2 2.7 3.2 4.2 5 5.8
        k min
        1.8 2.3 2.8 3.8 4.6 5.4
        r min
        0.1 0.15 0.15 0.15 0.15 0.2
        e max
        1.7 1.7 2.2 2.2 2.2 2.7
        e min
        1.3 1.3 1.8 1.8 1.8 2.3
        b1 max
        3.9 4.4 5.9 7.9 9.4 11.5
        b1 min
        3.1 3.6 5.1 7.1 8.6 10.5
        disang max
        5.3 6.4 8.4 10.5 13 15

        Ang weld screw na may metric thread ay naayos sa workpiece sa pamamagitan ng welding. Ang ganitong uri ng turnilyo ay may parehong head at non-head style. Ayon sa thread, maaari pa itong mauuri sa panlabas na thread welded screws at internal thread welded screws. Ang mga pagtutukoy ay karaniwang mula M5 hanggang M14.

        Weld screw with metric thread parameter

        Maaaring gamitin sa

        Ang mga weld screw na may metric na mga thread ay ginagamit upang ayusin ang mga bracket ng tambutso. Kungang boltang mga butas ng exhaust bracket ay pagod, maaari silang ayusin sa pamamagitan ng paggamit ng mga ito. Linisin ang mga spot weld point sa frame, i-install ang mga turnilyo, at isagawa ang spot welding sa mga butas sa mga washer. Higpitan ang bracket gamit ang mga bolts. Tumatagal lamang ng 3 minuto at hindi na kailangang mag-redrill o mag-tap. Maaari itong makatiis sa mga vibrations ng kalsada nang hindi lumuluwag.

        Ang weld screw na may metric thread ay ginagamit para i-upgrade ang mga conveyor bracket. Kung kailangan mong magdagdag ng mga sensor sa kasalukuyang conveyor, gamitin ang mga ito upang mabilis na mai-install ang mga bracket. Weld ang M8 screws sa kinakailangang frame guide rails. Hindi na kailangang mag-drill ng mga butas sa mga pangunahing istruktura. Ang sensor bracket ay direktang naayos sa bagong thread na may bolts. Nakakatipid ito ng oras na kinakailangan para sa pag-rewire sa panahon ng pagsasaayos at pag-install.

        Ang weld screws ay ginagamit para sa pag-install ng hydraulic piping. Kung kinakailangan upang ayusin ang hydraulic hose clamp sa kagamitan, ang paggamit ng mga ito ay maaaring maiwasan ang pagyanig. Weld M6 turnilyo sa kahabaan ng frame bawat 18 pulgada. Ang bracket ng kabit ay direktang naayos sa tornilyo na may mga bolts. Maaari silang makatiis ng tuluy-tuloy na panginginig ng boses kaysa sa mga tornilyo ng sheet metal. Pigilan ang hose na masira dahil sa alitan.

        Mga Tampok ng Produkto

        Ang tampok ng weld screw na may metric thread ay nakasalalay sa paggamit ng welding fixation method. Kung ikukumpara sa ordinaryong mekanikal na koneksyon, ang hinang ay maaaring gumawa ng mga turnilyo at ang base na materyal ay bumubuo ng isang mas mahigpit na bono, halos pinagsama. Ang disenyo ng mga metric na thread ay maaaring madaling itugma sa mga nuts o mga bahagi na may panloob na mga thread, na nagpapadali sa pag-install ng iba pang mga bahagi sa hinaharap. Bukod dito, ang katumpakan ng dimensional ng mga thread ay sumusunod sa mga pamantayan ng sukatan, na ginagawa itong lubos na maraming nalalaman.

        Mga Hot Tags: Weld Screw na may Metric Thread, China, Manufacturer, Supplier, Factory
        Kaugnay na Kategorya
        Magpadala ng Inquiry
        Mangyaring huwag mag-atubiling ibigay ang iyong pagtatanong sa form sa ibaba. Sasagot kami sa iyo sa loob ng 24 na oras.
        X
        Gumagamit kami ng cookies para mag-alok sa iyo ng mas magandang karanasan sa pagba-browse, pag-aralan ang trapiko sa site at i-personalize ang content. Sa paggamit ng site na ito, sumasang-ayon ka sa aming paggamit ng cookies. Patakaran sa Privacy
        Tanggihan Tanggapin